QQ登录

只需一步,快速开始

登录 | 注册 | 找回密码

三维网

 找回密码
 注册

QQ登录

只需一步,快速开始

展开

通知     

全站
10天前
楼主: swan2
收起左侧

[讨论] UG能出符合国标的工程图吗

[复制链接]
发表于 2009-2-8 14:45:45 | 显示全部楼层 来自: 中国陕西宝鸡
当然可以啦!就看你责骂做啦 !
发表于 2009-2-25 14:37:30 | 显示全部楼层 来自: 中国吉林吉林市
不会UG工程图,不要乱讲!!!
发表于 2010-11-25 13:20:34 | 显示全部楼层 来自: 中国浙江绍兴
一帮家伙不会用UG就别说UG工程图不好。工程图绝对比CAD出的漂亮,强大
发表于 2010-11-25 14:10:34 | 显示全部楼层 来自: 中国河南许昌
这边还是倒成CAD的呢……
发表于 2010-11-25 16:39:53 | 显示全部楼层 来自: 中国黑龙江鸡西
其实UG做的工程图要比CAD好看的多,所谓麻烦也是还不太习惯的缘故,大家习惯了CAD的做法,在我来看,CAD的图都没有CAXA的好看呢,就是个人习惯了而已。
发表于 2010-11-27 01:03:41 | 显示全部楼层 来自: 中国广东东莞
UG应该可以的,就看是怎么设置了
发表于 2012-11-25 18:20:01 | 显示全部楼层 来自: 中国四川成都
UG 出的工程图应该凑合吧。我发个PDF图,请大家吐槽.

1.pdf

79.69 KB, 下载次数: 17

发表于 2012-11-27 15:09:06 | 显示全部楼层 来自: 中国江苏苏州
士战血龙 发表于 2012-11-25 18:20 static/image/common/back.gif
9 l- A5 u+ @1 Z4 k$ Y$ a. H1 ?+ p- PUG 出的工程图应该凑合吧。我发个PDF图,请大家吐槽.
. [# x! }: Q, b3 O6 v/ T
看了仁兄的作品,感觉满好的,谢谢分享
& M, C/ _$ z( F1 R/ `9 o, Z0 B6 Y
" l# G' O4 q( z; U有几个问题想想仁兄请教:
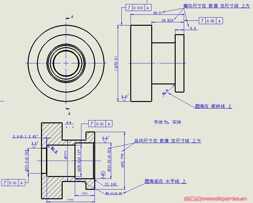
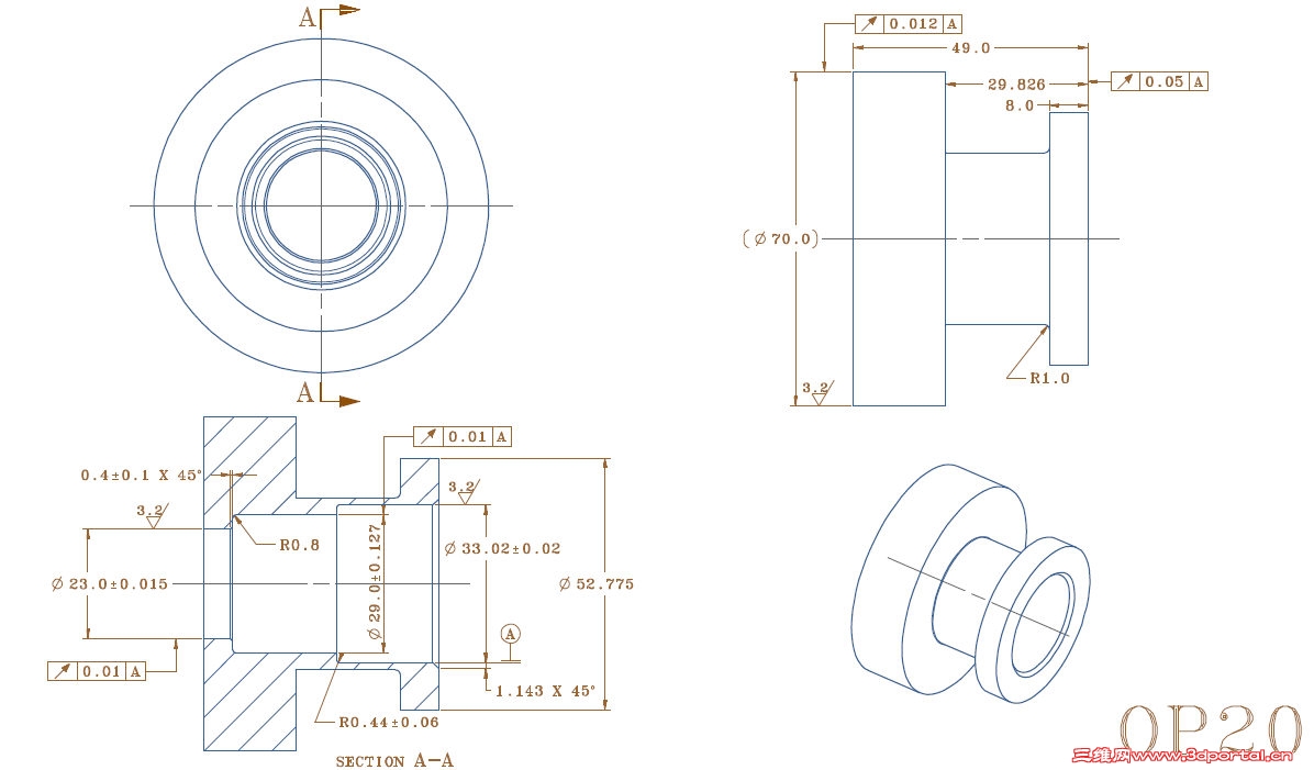
' q8 P* R+ d  z* T1 h7 H1.横向尺寸,数值 是否能在尺寸线上方;
4 s' Q- V0 t" s, f& s/ }5 e5 t- t' R2.纵向尺寸也是一样,图中 Φ29.0 ± 0.127 可以设置成这个样子,其他都是横向标注,是为了看图方便吧,如果是,这一条就不算了;
7 s% Y( Y4 v! L1 H; X* x3.圆角标注地方,数值 是否能在那个水平线上方,或者直接在拉伸出的倾斜线上;
  }4 U  k. `( w. d0 p# i0 }+ \' _4.所有字体中间好像是 镂空 的,是否能用 宋体、楷体-GB2312 或 ARIAL 字体。9 P4 W! P( p2 h. M% A! ^1 A) [- |

/ r1 O7 ^- K# h0 X! d请多多指教,我也希望能够用 UG 出图,前两天 历尽 好几个晚上 才装上了 NX8.5 版本。现在想用 UG 多学习一下编程的东西,当然出图这个活是基础。
222.jpg
333.jpg
发表于 2012-11-27 15:50:39 | 显示全部楼层 来自: 中国江苏无锡
现在的是可以的了 就是操作不熟练。
发表于 2012-11-29 13:24:40 | 显示全部楼层 来自: 中国浙江温州
hicax 发表于 2009-1-9 22:33 static/image/common/back.gif
' K- k& U8 |1 @: V+ e' P4 s) ?转到SE出图,模型可保持与NX中的关联性
! O! R' ^% T0 b
你转一个给我看一下,举个例子,你用ug画个图,然后转到se里用se打开,保存,然后再用ug打开看看还有没有
. M( m- A5 W9 ^ug原来的参数,
发表于 2012-11-30 07:59:31 | 显示全部楼层 来自: 中国辽宁抚顺
看需要吧。。。。。。。。。
头像被屏蔽
发表于 2012-12-25 23:29:49 | 显示全部楼层 来自: 中国广东深圳
提示: 作者被禁止或删除 内容自动屏蔽
发表回复
您需要登录后才可以回帖 登录 | 注册

本版积分规则


Licensed Copyright © 2016-2020 http://www.3dportal.cn/ All Rights Reserved 京 ICP备13008828号

小黑屋|手机版|Archiver|三维网 ( 京ICP备2023026364号-1 )

快速回复 返回顶部 返回列表