QQ登录

只需一步,快速开始

登录 | 注册 | 找回密码

三维网

 找回密码
 注册

QQ登录

只需一步,快速开始

展开

通知     

楼主: dayang9748
收起左侧

[讨论] 差动能否实现

[复制链接]
发表于 2009-3-22 09:07:46 | 显示全部楼层 来自: 中国河北邢台
原帖由 9619 于 2009-3-21 21:16 发表 http://www.3dportal.cn/discuz/images/common/back.gif
4 K! ~! B1 H5 y
' b$ O' S4 W1 O" r; L1 Z; I# L7 z/ O0 N+ E1 s; @6 W
1、有没有这个单向阀都可以实现差动,有单向阀时,系统多了一个压力损失,所以单向阀是多余的。
8 Q( R* V8 ~6 v9 b" J( |$ _5 U2、调整有杆腔的顺序阀,当系统压力达到液控单向阀的控制压力时,液控单向阀可以打开的。
# A; c  T' V, m2 v( k
; ^, T% r  P' r+ _% E8 P- u
我也认为单向阀对于有无差动不会起到什么作用,但是差动前进到位后如果要加压,此时单向阀才会起作用。我们的看法不矛盾。6 @. v, J4 {5 m% \+ p# I
& Q7 X- ?0 i. h, V
另外我也觉得这个系统差动实现的太复杂了。出了故障会让维修人员很头疼的。

评分

参与人数 1三维币 +2 收起 理由
9619 + 2 谢谢大家的关注,希望继续关注。

查看全部评分

发表于 2009-3-22 16:30:24 | 显示全部楼层 来自: 中国河南漯河
不太容易实现,单向阀的影响很关键。

评分

参与人数 1三维币 +2 收起 理由
9619 + 2 谢谢大家的关注,希望继续关注。

查看全部评分

发表于 2009-3-22 16:47:54 | 显示全部楼层 来自: 中国辽宁本溪
不能实现差动连接

评分

参与人数 1三维币 +2 收起 理由
9619 + 2 谢谢大家的关注,希望继续关注。

查看全部评分

发表于 2009-3-22 17:30:16 | 显示全部楼层 来自: 中国河南南阳
原帖由 qiangong 于 2009-3-22 16:47 发表 http://www.3dportal.cn/discuz/images/common/back.gif! i) S: y$ o! u; o3 J1 c1 @2 g  Q
不能实现差动连接

& P: r) U/ v1 A- R' @  A$ F$ h5 r9 u- z6 N; `7 x0 r
差动还是能够实现的。

评分

参与人数 1三维币 +2 收起 理由
9619 + 2 谢谢大家的关注,希望继续关注。

查看全部评分

发表于 2009-3-23 13:19:19 | 显示全部楼层 来自: 中国江苏连云港
差动可以实现,单向阀好像没有必要吧。有杆腔进油时,系统油路不会乱的。

评分

参与人数 1三维币 +2 收起 理由
9619 + 2 谢谢大家的关注,希望继续关注。

查看全部评分

发表于 2009-3-23 15:25:55 | 显示全部楼层 来自: 中国广西柳州
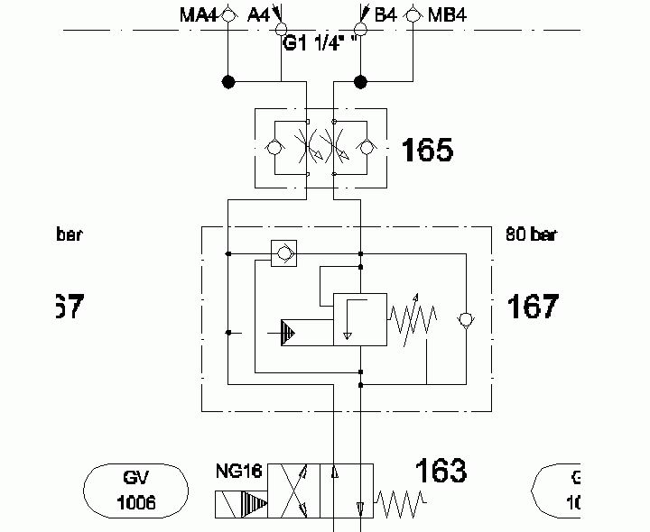
像我以前问过的167这个阀就是个差动连接的顺序阀!这里只用一个液控单向阀!
20090213_c5182913c1993699cab9JbVxwDd9qcL9.jpg
发表于 2009-3-24 19:25:29 | 显示全部楼层 来自: 中国江苏连云港
http://www.3dportal.cn/discuz/vi ... d=922937#pid34361541 X- _0 v% u  [/ ~1 k
同意20楼楼主的看法
头像被屏蔽
发表于 2009-3-25 10:21:11 | 显示全部楼层 来自: 中国贵州贵阳
提示: 作者被禁止或删除 内容自动屏蔽
发表于 2009-3-25 10:47:28 | 显示全部楼层 来自: 中国江苏无锡
那个单向阀在用差动的时候要不要都没关系
& m1 w% q9 n+ h& f- n/ X/ }但是假如不用差动的话就是必须的了(背压阀压力调高,实现差动快进,调低则正常工进.* T& S; [- O* y2 h( N. E
我觉得那个背压阀不如换成一个2位2通的通端电磁阀来的好(旁路的单向保留).
7 ~7 ]' L. h. O1 _: Q电磁阀通,则工进,断则差动快进.省的还要手动看压力表调压力,麻烦的
发表于 2009-3-25 10:54:54 | 显示全部楼层 来自: 中国江苏无锡
原帖由 rocklxh200 于 2009-3-23 15:25 发表 http://www.3dportal.cn/discuz/images/common/back.gif5 s, H) `/ X5 N8 ]$ j. y8 j9 R
像我以前问过的167这个阀就是个差动连接的顺序阀!这里只用一个液控单向阀!
8 y5 p5 v+ _: q' ~1 z2 \7 [; G9 y3 P
你的这个图和楼主的基本一样9 W' p) G' H- n% I+ ~  Z
只不过你的必须用差动,楼主了加了个单向可实现2种操作的
' d7 r& K" Y" o# D' p如果只要差动,那把那个单向去掉就可以了
发表于 2012-3-31 19:36:13 | 显示全部楼层 来自: 中国江苏无锡
13# NJLUHC : s+ b: L) w) H8 q% z' i+ I9 _$ G  }; h
12楼的意思是把单向阀去掉后,两边的油管也是断路(单向阀到液控单向阀间的油路也没有了),前腔的油回不了后腔的
发表于 2012-4-2 15:11:15 | 显示全部楼层 来自: 中国广东深圳
  3 e& b  S7 P( L" r  ?5 q+ p
我觉得这个单向阀不能取消。理由是:4 E4 v# p& _! M! R/ g
理由是:$ z  l) Q+ y) q; [: e
1、基本说明:油缸快进--工进是工艺,假设系统压力是10MPa,顺序阀压力设定是5MPa,油缸有效面积比是1:2。  单向向阀开启压力5bar,液控单向阀开启压力5bar先导比为1:3。2、由于面积比的作用,无杆腔会对有杆腔进行增压。打开单向阀回路的压力应是弹簧力5+5=10bar.
! _4 g9 p8 w( r  2、 油缸两端的压力平衡是P1A1=P2A2  由于单向阀的背压有杆腔压力比无杆腔压力要大    增加缸时P2+10+10/3 >P1*2    P2>P2*2-10.3   p2不能是负数   ,所以P1>5.15bar 时油缸出去,当然没考虑摩擦力及负载,还有P1要打开本通道单向阀也要5bar.; j5 s5 s9 T$ F2 i
3、在P2压力大于顺序阀设定压力时,有杆腔的油从顺序阀排回至油箱,由于单向阀的作用无杆腔的油不能倒流,这时油缸工进。 若没有这个单向阀,油缸就没有工进回路。
& a3 q$ s1 o/ i, k7 o; b/ D4 d- c4、顺序阀打开排出的油会造成发热。
# W. z# P) d8 _) d( Z# m6 C
! g6 E; P8 X/ t以上为本人浅见。
发表于 2012-4-2 15:16:00 | 显示全部楼层 来自: 中国广东深圳
“我现在的系统就是这样用的,无杆腔进油时,有杆腔的顺序阀是不打开的,其开启压力很高”,顺序阀不打开,油缸能出去就证明能差动。无杆腔的一部分压力要用于带动负载,另一部分又得用在对有杆腔进行增压打开顺序阀,所以这样的差动效率有些低,除非顺序阀的压力设定得很低。
发表于 2012-4-2 23:12:26 | 显示全部楼层 来自: 中国广东深圳
能否差动,完全取决于有杆腔溢流阀的设定值,取消单向阀完全可以实现差动。
发表于 2012-4-15 21:33:03 | 显示全部楼层 来自: 中国安徽马鞍山
你这个问题很有意思 1# dayang9748
发表于 2012-4-15 21:34:04 | 显示全部楼层 来自: 中国安徽马鞍山
但是,你的图有点问题,而且没有结构和可以实现!
发表于 2012-4-26 13:57:54 | 显示全部楼层 来自: 中国北京
可以实现,就是有点复杂了。
发表于 2012-4-26 18:01:28 | 显示全部楼层 来自: 中国浙江台州
结构复杂化了,取消一个单向阀,同样可以实现差动
发表于 2012-4-26 22:09:40 | 显示全部楼层 来自: 中国天津
能实现差动,不过图画的有点复杂了。
发表于 2012-4-27 17:22:44 | 显示全部楼层 来自: 中国北京
采用差动的电磁换向阀,应放在油缸出口处。如果换向阀在平衡阀后面会压损很大,电磁换向阀要根据流量情况要相对大些
发表回复
您需要登录后才可以回帖 登录 | 注册

本版积分规则


Licensed Copyright © 2016-2020 http://www.3dportal.cn/ All Rights Reserved 京 ICP备13008828号

小黑屋|手机版|Archiver|三维网 ( 京ICP备2023026364号-1 )

快速回复 返回顶部 返回列表