QQ登录

只需一步,快速开始

登录 | 注册 | 找回密码

三维网

 找回密码
 注册

QQ登录

只需一步,快速开始

展开

通知     

楼主: xiaoyeren
收起左侧

[讨论] 平衡阀的工作原理

[复制链接]
发表于 2009-5-23 16:00:06 | 显示全部楼层 来自: 中国安徽芜湖
流量型的值得好好研究
发表于 2009-5-23 16:41:25 | 显示全部楼层 来自: 中国江苏徐州
平衡阀学问真的很不少,困惑了很久。^_^
发表于 2009-5-23 17:40:47 | 显示全部楼层 来自: 中国山东济南
详细介绍一下平衡阀的原理,最好附加剖视图
头像被屏蔽
发表于 2009-6-6 19:45:54 | 显示全部楼层 来自: 中国陕西榆林
提示: 作者被禁止或删除 内容自动屏蔽
发表于 2009-6-12 23:16:54 | 显示全部楼层 来自: 中国江苏苏州
平衡阀有点复杂啊
发表于 2009-6-13 23:03:20 | 显示全部楼层 来自: 中国辽宁沈阳
楼上的真渊博,学习学习
发表于 2009-6-16 15:19:58 | 显示全部楼层 来自: 中国山东济宁
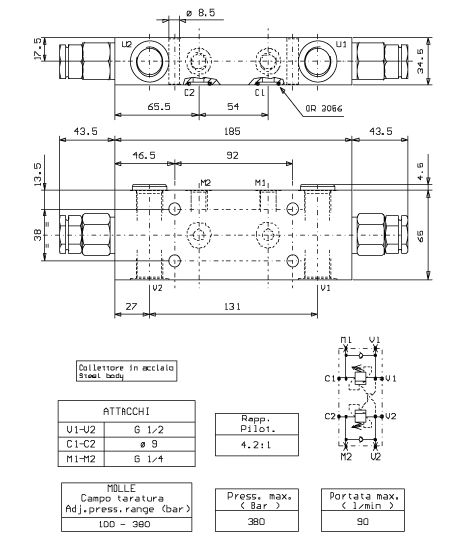
发一个原理
phf.jpg

评分

参与人数 1三维币 +2 收起 理由
柠檬咖啡 + 2 积极应助

查看全部评分

发表于 2009-6-16 17:22:30 | 显示全部楼层 来自: 中国湖北襄阳
边学习,边赚流量,关键是流量型的平衡阀。。。。也不懂
发表于 2009-6-17 10:22:46 | 显示全部楼层 来自: 中国北京
玩平衡阀就在于玩控制的先导孔
发表于 2009-6-17 16:43:41 | 显示全部楼层 来自: 中国浙江宁波
我是一个初学者,想学点知识,下载点资料
发表于 2009-6-18 09:02:58 | 显示全部楼层 来自: 中国安徽芜湖
基于负载恒定的平衡阀用哪种好呢?
发表于 2009-6-18 09:36:56 | 显示全部楼层 来自: 中国山西大同
流量型的平衡阀。第一次听说。请上传结构图。
发表于 2009-6-24 20:27:56 | 显示全部楼层 来自: 中国内蒙古鄂尔多斯
平衡阀感觉好难啊,一直都没学会,谢谢楼上几位大大解释了。
发表于 2009-6-26 14:38:57 | 显示全部楼层 来自: 中国广东
高手多呀!正想学习液压方面知识!
发表于 2009-6-30 22:06:15 | 显示全部楼层 来自: 中国上海
平衡阀=单向阀+节流阀+滑阀。
/ h) X( [- B: W" A; t: B3 s: {" I0 Z挖机的行走马达里面就有平衡阀的
发表于 2009-7-2 21:48:17 | 显示全部楼层 来自: 中国内蒙古鄂尔多斯
上面的图台小了,都看不清楚。。
发表于 2009-7-3 13:32:11 | 显示全部楼层 来自: 美国
怎么一点流量都没有啊???唔唔!!!
发表于 2009-7-15 22:21:29 | 显示全部楼层 来自: 中国广西柳州
可以去学习下力士乐的FD型平衡阀样本  里面内容比较详尽
发表于 2009-7-21 14:35:57 | 显示全部楼层 来自: 中国北京
请问Engineer-wx 那些资料哪有呀,有下载网址吧?
! X/ @3 k5 z- r9 \我的信箱为liusen2001@163.com,恳请这位大哥给点资料吧.
发表于 2009-7-21 21:35:15 | 显示全部楼层 来自: 中国辽宁沈阳
平衡阀是个动态变化过程,其实不很复杂
发表于 2009-8-14 17:49:15 | 显示全部楼层 来自: 中国北京
我值是一个初学者,想学点知识,下载点资料
发表于 2009-8-21 16:21:27 | 显示全部楼层 来自: 中国江苏常州
有没有实例可以看看
发表于 2009-8-22 22:42:55 | 显示全部楼层 来自: 中国四川自贡
跟大家学习学习
发表于 2009-8-25 10:00:39 | 显示全部楼层 来自: 中国湖北武汉
FD平衡阀 嘻嘻 很有意思的东西 通过阀的流量是出厂就设定好的 这阀非常 非常有意思
发表于 2009-8-28 15:58:40 | 显示全部楼层 来自: 中国上海
流量阿,流量阿
发表回复
您需要登录后才可以回帖 登录 | 注册

本版积分规则


Licensed Copyright © 2016-2020 http://www.3dportal.cn/ All Rights Reserved 京 ICP备13008828号

小黑屋|手机版|Archiver|三维网 ( 京ICP备2023026364号-1 )

快速回复 返回顶部 返回列表