QQ登录

只需一步,快速开始

登录 | 注册 | 找回密码

三维网

 找回密码
 注册

QQ登录

只需一步,快速开始

展开

通知     

楼主: muhdi
收起左侧

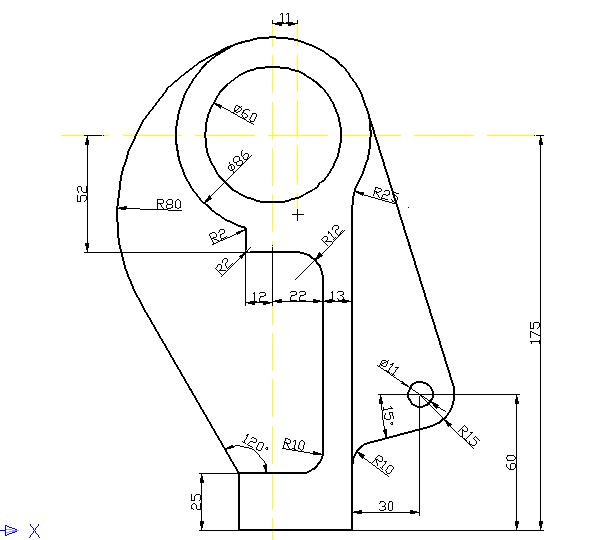
[练习题] 基础综合练习08

[复制链接]
发表于 2008-11-22 18:59:08 | 显示全部楼层 来自: 中国广东佛山
基础综合练习08
Drawing1.jpg

评分

参与人数 1三维币 +5 收起 理由
2005llnn + 5 很好

查看全部评分

发表于 2008-11-22 20:08:40 | 显示全部楼层 来自: 中国江苏扬州
我画的图 :)
基础综合练习08.jpg

评分

参与人数 1三维币 +5 收起 理由
2005llnn + 5 很好

查看全部评分

发表于 2008-11-27 09:43:19 | 显示全部楼层 来自: 中国辽宁沈阳
基础综合练习08
未命名.jpg

评分

参与人数 1三维币 +5 收起 理由
2005llnn + 5 很好

查看全部评分

发表于 2008-11-27 16:59:01 | 显示全部楼层 来自: 中国湖北孝感
交作业了~~~
未命名.JPG

评分

参与人数 1三维币 +5 收起 理由
2005llnn + 5 很好

查看全部评分

发表于 2008-11-29 12:21:04 | 显示全部楼层 来自: 中国广东佛山

基础综合练习08

基础综合练习08
J08.jpg

评分

参与人数 1三维币 +5 收起 理由
2005llnn + 5 很好

查看全部评分

发表于 2008-12-3 21:02:19 | 显示全部楼层 来自: 中国安徽蚌埠
练习
' m( Y# O, H0 J" ?. { 基础综合练习08.jpg

评分

参与人数 1三维币 +5 收起 理由
2005llnn + 5 很好

查看全部评分

发表于 2008-12-4 11:46:34 | 显示全部楼层 来自: 中国上海
没想到我也会的
图片1.png

评分

参与人数 1三维币 +4 收起 理由
2005llnn + 4 很好,但标注不全

查看全部评分

发表于 2008-12-4 14:42:44 | 显示全部楼层 来自: 中国江苏苏州

大家好

我也做了一个,试试。 练习题9.jpg
. k  j$ o, t! d: i$ o) R' Q6 b7 i$ I
$ A9 r) K5 h& {3 ]& V[ 本帖最后由 guw581 于 2008-12-4 14:44 编辑 ]

评分

参与人数 1三维币 +5 收起 理由
2005llnn + 5 很好

查看全部评分

发表于 2008-12-6 21:05:48 | 显示全部楼层 来自: 中国广东东莞
请问一下,那个R80的圆怎样画呀!想了好久都知道!! E' f0 {- ]9 x$ I- ]& S+ Y
还有就是楼主回复画圆的附件怎么看不懂。
" ]; R& K3 B0 Q$ {谢谢好心回答!
发表于 2008-12-8 14:46:02 | 显示全部楼层 来自: 中国湖南长沙
练习练习 基础练习8.JPG

评分

参与人数 1三维币 +5 收起 理由
2005llnn + 5 很好

查看全部评分

发表于 2008-12-8 16:07:58 | 显示全部楼层 来自: 中国广东中山
虽然看提示把¢80的圆画出来来了但是我想不明白为什么要这样86-80=6??? 想不通
基础综合练习-08.jpg

基础综合练习08.dwg

44.08 KB, 下载次数: 4

评分

参与人数 1三维币 +5 收起 理由
2005llnn + 5 很好

查看全部评分

发表于 2008-12-16 00:04:42 | 显示全部楼层 来自: 中国浙江宁波

基础综合练习08

这两个月忙于别的事,没有时间做题,现在抽空做好,交作业了.
QQ截图未命名.jpg

评分

参与人数 1三维币 +4 收起 理由
2005llnn + 4 鼓励,贴图太小

查看全部评分

发表于 2008-12-17 15:57:20 | 显示全部楼层 来自: 中国北京
交作业来啦!4 Y+ A" q; [* q% L8 {9 g/ l! B" K- ]
+ ^6 @! P7 B' P
[ 本帖最后由 cjh303557 于 2008-12-17 16:00 编辑 ]
1111111.jpg

评分

参与人数 1三维币 +5 收起 理由
2005llnn + 5 很好

查看全部评分

发表于 2008-12-19 21:53:58 | 显示全部楼层 来自: 中国江苏无锡

练习T8

。。。。。继续学习。。学习学习
练习8.jpg

练习T8.dwg

39.27 KB, 下载次数: 3

评分

参与人数 1三维币 +5 收起 理由
wang2003 + 5 很好

查看全部评分

发表于 2008-12-23 15:46:15 | 显示全部楼层 来自: 中国辽宁大连
发表于 2008-12-31 03:05:48 | 显示全部楼层 来自: 中国上海
这个题做了半天。。。
; ]! N# ?5 l6 @; N; ^6 u: z8 Q后来终于弄明白了0 X( i! X; J: r  `) ~# f& f
基础综合练习08.png

评分

参与人数 1三维币 +3 收起 理由
wang2003 + 3 参与奖

查看全部评分

发表于 2008-12-31 16:16:12 | 显示全部楼层 来自: 中国辽宁营口

请多指教

请多指教请多指教
& c3 N/ r. b; U" W
% n* ~2 A) G9 H5 u6 ~3 d+ |7 E* S4 s+ \5 c[ 本帖最后由 2005llnn 于 2009-1-10 13:24 编辑 ]
作业1.jpg

作业1.dwg

223.09 KB, 下载次数: 4

评分

参与人数 1三维币 +3 收起 理由
2005llnn + 3 参与鼓励,以后请直接贴图

查看全部评分

发表于 2009-1-8 19:42:45 | 显示全部楼层 来自: 新加坡
帮我加5可以吗?谢谢
练习8.JPG

评分

参与人数 1三维币 +5 收起 理由
2005llnn + 5 参与鼓励

查看全部评分

发表于 2009-1-8 20:10:27 | 显示全部楼层 来自: 中国福建厦门
完成咯,交作业
QQ截图未命名.jpg

评分

参与人数 1三维币 +3 收起 理由
2005llnn + 3 参与鼓励

查看全部评分

头像被屏蔽
发表于 2009-1-10 16:28:27 | 显示全部楼层 来自: 中国福建福州
提示: 作者被禁止或删除 内容自动屏蔽
头像被屏蔽
发表于 2009-1-10 16:39:01 | 显示全部楼层 来自: 中国福建福州
提示: 作者被禁止或删除 内容自动屏蔽
头像被屏蔽
发表于 2009-1-10 17:20:33 | 显示全部楼层 来自: 中国福建福州
提示: 作者被禁止或删除 内容自动屏蔽
发表于 2009-1-13 21:46:38 | 显示全部楼层 来自: 中国山东泰安
08.JPG

评分

参与人数 1三维币 +3 收起 理由
2005llnn + 3 参与鼓励

查看全部评分

发表于 2009-1-14 15:20:17 | 显示全部楼层 来自: 中国广东广州
练练手,好久没练了,这个图也要我用时30分,不服老不行啊,忘的太快了
平面练习.jpg

评分

参与人数 1三维币 +3 收起 理由
2005llnn + 3 参与鼓励

查看全部评分

发表于 2009-2-3 15:18:58 | 显示全部楼层 来自: 中国辽宁抚顺
交作业了。
1.JPG

评分

参与人数 1三维币 +3 收起 理由
2005llnn + 3 参与鼓励

查看全部评分

发表回复
您需要登录后才可以回帖 登录 | 注册

本版积分规则


Licensed Copyright © 2016-2020 http://www.3dportal.cn/ All Rights Reserved 京 ICP备13008828号

小黑屋|手机版|Archiver|三维网 ( 京ICP备2023026364号-1 )

快速回复 返回顶部 返回列表