QQ登录

只需一步,快速开始

登录 | 注册 | 找回密码

三维网

 找回密码
 注册

QQ登录

只需一步,快速开始

展开

通知     

楼主: muhdi
收起左侧

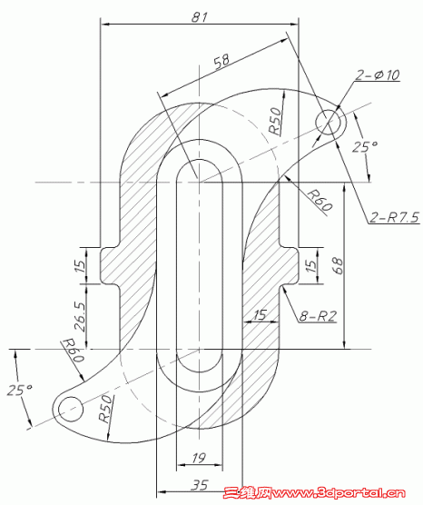
[练习题] 基础综合练习12-原題

[复制链接]
发表于 2009-5-21 13:59:40 | 显示全部楼层 来自: 中国山东烟台
基础练习12
! F3 f/ R  X; e4 W5 ^- }% T! m5 ] 基础练习12.jpg

评分

参与人数 1三维币 +3 收起 理由
2005llnn + 3 参与鼓励

查看全部评分

发表于 2009-7-18 08:41:41 | 显示全部楼层 来自: 中国山东东营
练习, Y2 g7 F8 a* [) G- q$ B6 ]; d, D
12.GIF

评分

参与人数 1三维币 +3 收起 理由
2005llnn + 3 参与鼓励

查看全部评分

发表于 2009-7-22 17:25:03 | 显示全部楼层 来自: 中国福建莆田
1.A 2.D 3.B 4.A 5.A
$ y8 I0 l* ?  o4 X& E  W 未命名.jpg

评分

参与人数 1三维币 +3 收起 理由
2005llnn + 3 参与鼓励

查看全部评分

发表于 2009-8-2 15:37:45 | 显示全部楼层 来自: 中国江苏无锡
答案我就不写了。。。
12.jpg

评分

参与人数 1三维币 +3 收起 理由
2005llnn + 3 参与鼓励

查看全部评分

发表于 2009-8-3 23:36:50 | 显示全部楼层 来自: 中国北京
基础综合练习12
12.jpg

Drawing12.dwg

78.56 KB, 下载次数: 1

评分

参与人数 1三维币 +3 收起 理由
2005llnn + 3 参与鼓励,不用上传dwg附件

查看全部评分

发表于 2009-8-4 19:08:33 | 显示全部楼层 来自: 中国山东烟台
未标题1.gif

评分

参与人数 1三维币 +3 收起 理由
2005llnn + 3 参与鼓励

查看全部评分

发表于 2009-9-13 13:25:11 | 显示全部楼层 来自: 中国吉林吉林市
答案: 1.A 2.D 3.B 4.   5.A
6 P* k, @1 |& u( P- \6 m/ N问题一: 标注前面的个数怎么加  例如 "8-R2" 前面的8怎么加上的; g( `( Z2 R7 v
问题二: 命令: '_dist 指定第一点:  指定第二点:
- t& L& Z; T7 E' j距离 = 157.3125,XY 平面中的倾角 = 228,  与 XY 平面的夹角 = 0
9 y1 ^: z2 E0 y- u* ~2 i% tX 增量 = -105.1317,  Y 增量 = -117.0237,   Z 增量 = 0.0000              
; _+ I5 x* |8 h8 A. |& a+ F; d/ Q 我想把其中228的精度调整一下 怎么做到?  请版主指导!
QQ截图未命名.jpg
QQ截图未命名1.jpg

评分

参与人数 1三维币 +3 收起 理由
2005llnn + 3 参与鼓励

查看全部评分

发表于 2009-9-15 09:32:25 | 显示全部楼层 来自: 中国浙江台州

练习12

来的比较晚,呵。。。。我不知道怎么扣除小面域的面积,所以只有用笨方法,用减法。。。。 22.dwg (68.72 KB, 下载次数: 2)

评分

参与人数 1三维币 +3 收起 理由
2005llnn + 3 参与鼓励

查看全部评分

发表于 2009-9-24 12:16:39 | 显示全部楼层 来自: 中国广东汕头
1A  2D  3B   3A   4A
LX12.jpg

评分

参与人数 1三维币 +3 收起 理由
2005llnn + 3 参与鼓励

查看全部评分

发表于 2009-9-28 17:04:07 | 显示全部楼层 来自: 中国陕西西安
图形奉上,答案A、D、B、A、A
基础综合练习12.jpg

评分

参与人数 1三维币 +3 收起 理由
2005llnn + 3 参与鼓励

查看全部评分

发表于 2009-10-10 16:56:41 | 显示全部楼层 来自: 中国北京
基础综合练习12
练习12.JPG

评分

参与人数 1三维币 +3 收起 理由
2005llnn + 3 参与鼓励

查看全部评分

发表于 2009-12-28 20:35:43 | 显示全部楼层 来自: 中国浙江杭州

基础综合练习12

基础综合练习12
基础综合练习12.jpg

评分

参与人数 1三维币 +3 收起 理由
2005llnn + 3 参与鼓励

查看全部评分

发表于 2010-1-4 11:07:35 | 显示全部楼层 来自: 中国广东广州
画完了,题目没做
3.jpg

评分

参与人数 1三维币 +3 收起 理由
2005llnn + 3 参与鼓励

查看全部评分

发表于 2010-8-8 22:59:33 | 显示全部楼层 来自: 中国广东东莞
新生来指教
12.jpg

评分

参与人数 1三维币 +3 收起 理由
2005llnn + 3 参与鼓励

查看全部评分

发表于 2010-9-3 23:14:27 | 显示全部楼层 来自: 中国福建厦门
参与了哦。这个比较简单。
未命名.jpg

评分

参与人数 1三维币 +3 收起 理由
2005llnn + 3 参与鼓励

查看全部评分

发表于 2010-9-5 11:04:58 | 显示全部楼层 来自: 中国江苏镇江
本帖最后由 veroinca 于 2010-9-5 11:13 编辑
" Z, J; K1 ~4 Q! z9 }" C3 _1 {4 F% g* ^% E2 Y) R* x7 B
过来学习了,好像R60不对
图象 598x462.jpg

评分

参与人数 1三维币 +3 收起 理由
2005llnn + 3 参与鼓励

查看全部评分

发表于 2010-9-14 11:22:50 | 显示全部楼层 来自: 中国浙江宁波
图是画出来了,但是很不理解里面的面积是怎么计算的,我知道计算面积可以用AA,但很多都不知道该怎么算
" O& Q, c8 _& z  q' s,,谁能告诉下
1.jpg

评分

参与人数 1三维币 +2 收起 理由
2005llnn + 2 参与鼓励

查看全部评分

发表于 2010-9-14 13:30:32 | 显示全部楼层 来自: 中国江苏南京
12.jpg

评分

参与人数 1三维币 +2 收起 理由
2005llnn + 2 参与鼓励

查看全部评分

发表于 2011-5-23 14:37:59 | 显示全部楼层 来自: 中国北京
本帖最后由 yeling_leo 于 2011-5-23 14:39 编辑
7 N+ ^  S8 a. t+ T- q7 n4 x. w- T' u3 T( z5 t4 ^5 v/ O" U
交作业0 _5 T  x. b& x& k7 V# ]

1 q4 U7 i5 Z  R  @. R6 g; S答案:A D B A A
! V" ~: N/ u* [& A" G/ w 练习12.gif

评分

参与人数 1三维币 +3 收起 理由
2005llnn + 3 参与鼓励

查看全部评分

发表于 2011-6-10 10:15:04 | 显示全部楼层 来自: 中国江苏苏州
1.A 2.D 3.B 4.A 5.A
" i: H( _7 X0 Q4 ^9 C/ R% T 继续练习!
练习12.jpg

评分

参与人数 1三维币 +3 收起 理由
2005llnn + 3 参与鼓励

查看全部评分

发表于 2011-6-11 13:38:00 | 显示全部楼层 来自: 中国浙江宁波
接着练手  l7 R2 \1 t* J5 n1 k. N: k* [
113.jpg

评分

参与人数 1三维币 +3 收起 理由
2005llnn + 3 参与鼓励

查看全部评分

发表于 2011-8-3 08:30:08 | 显示全部楼层 来自: 中国湖北武汉
答案:(1).A     (2).D     (3).B     (4).A     (5).A
基础综合练习12.jpg

评分

参与人数 1三维币 +3 收起 理由
2005llnn + 3 参与鼓励

查看全部评分

发表于 2011-8-8 23:06:47 | 显示全部楼层 来自: 中国江苏南京
今天刚刚才看到有练习题,所以花了15分钟完成,希望正确。4 @; o4 h7 r; n# S$ H
1、A   2、D     3、B     4、A    5、A
# n' t7 e; k' D$ O 无标题.jpg

评分

参与人数 1三维币 +3 收起 理由
2005llnn + 3 参与鼓励

查看全部评分

发表于 2011-9-6 16:49:59 | 显示全部楼层 来自: 中国江苏盐城
未命名.JPG
. w% ^' N& r7 W4 m9 H1 q0 v3 [请问一下为什么我的剖面线画出来的地方与楼主要求的不一样?不甚感激

评分

参与人数 1三维币 +3 收起 理由
2005llnn + 3 参与鼓励

查看全部评分

发表于 2011-11-7 10:14:16 | 显示全部楼层 来自: 中国山东菏泽
基础练习12
: q# y: ~7 \1 o; m# d9 i" D, ]A    D     B   A     A
未命名.jpg

评分

参与人数 1三维币 +3 收起 理由
2005llnn + 3 参与鼓励

查看全部评分

发表回复
您需要登录后才可以回帖 登录 | 注册

本版积分规则


Licensed Copyright © 2016-2020 http://www.3dportal.cn/ All Rights Reserved 京 ICP备13008828号

小黑屋|手机版|Archiver|三维网 ( 京ICP备2023026364号-1 )

快速回复 返回顶部 返回列表