QQ登录

只需一步,快速开始

登录 | 注册 | 找回密码

三维网

 找回密码
 注册

QQ登录

只需一步,快速开始

展开

通知     

楼主: muhdi
收起左侧

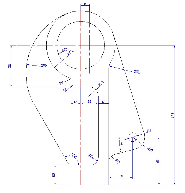
[练习题] 基础综合练习08

[复制链接]
发表于 2009-2-19 22:08:10 | 显示全部楼层 来自: 中国广东江门
交作业啦!!!
QQ截图未命名.jpg

评分

参与人数 1三维币 +3 收起 理由
2005llnn + 3 参与鼓励

查看全部评分

发表于 2009-3-7 15:46:09 | 显示全部楼层 来自: 中国浙江宁波
交作业了! QQ截图未命名2.jpg

评分

参与人数 1三维币 +3 收起 理由
2005llnn + 3 参与鼓励

查看全部评分

发表于 2009-3-24 10:39:57 | 显示全部楼层 来自: 中国台湾
发表于 2009-4-3 17:29:56 | 显示全部楼层 来自: 中国河北石家庄
原帖由 muhdi 于 2008-9-10 14:47 发表 http://www.3dportal.cn/discuz/images/common/back.gif! i! U* X- K0 n1 Q9 H
http://www.3dportal.cn/discuz/viewthread.php?tid=531418&extra=page%3D1
1 f  m: q! Z9 ~' z' u关于AutoCAD练习你能不能给我讲讲呢?R80圆怎么画的呢?谢谢了
$ T! {9 a$ c4 o! B/ M請參考附件
! G; N& }, `" j% O, k  V/ }# ?  k
) `8 U5 G& q: X- ~8 D

& l- a, K$ |  k" G. x$ ?8 [* K把R80的中心纵轴 向左offset 80, 然后画圆切切半径。两个切分别是86圆和刚offset过去的那跟纵轴线
( u# j/ i5 n) T* Q0 x% X其实和你的方法是一模一样的。。。。。。
发表于 2009-4-24 11:53:11 | 显示全部楼层 来自: 中国北京
绘完,谢谢老师
发表于 2009-4-24 15:22:38 | 显示全部楼层 来自: 中国湖南常德
好好学习,天天向上
练习.jpeg

评分

参与人数 1三维币 +3 收起 理由
2005llnn + 3 参与鼓励

查看全部评分

发表于 2009-4-29 19:56:33 | 显示全部楼层 来自: 中国广东东莞
学习了不少!
xi5.jpg

评分

参与人数 1三维币 +3 收起 理由
2005llnn + 3 参与鼓励

查看全部评分

发表于 2009-5-6 21:05:32 | 显示全部楼层 来自: 中国广东中山

回复 1# muhdi 的帖子

练习练习,谢楼主 1.jpeg

评分

参与人数 1三维币 +3 收起 理由
2005llnn + 3 参与鼓励

查看全部评分

发表于 2009-5-20 11:13:31 | 显示全部楼层 来自: 中国山东烟台
完成练习88 U. m* y" Q) l/ u. T) t% w
基础练习8.jpg

评分

参与人数 1三维币 +3 收起 理由
2005llnn + 3 参与鼓励

查看全部评分

发表于 2009-5-22 19:28:09 | 显示全部楼层 来自: 中国浙江杭州

基础综合练习8

基础综合练习8
基础综合练习8.jpg

基础综合练习8.dwg

59.74 KB, 下载次数: 1

评分

参与人数 1三维币 +3 收起 理由
2005llnn + 3 参与鼓励

查看全部评分

发表于 2009-6-16 13:14:19 | 显示全部楼层 来自: 中国福建泉州

回复 1# muhdi 的帖子

还好懂得画..
08.jpg

评分

参与人数 1三维币 +3 收起 理由
2005llnn + 3 参与鼓励

查看全部评分

发表于 2009-6-26 15:50:23 | 显示全部楼层 来自: 中国北京
练习,没觉得R8难画,反而是R25和R15两个圆的外公切线想了很久才会画...........
CAD2P008.jpg

评分

参与人数 1三维币 +3 收起 理由
2005llnn + 3 参与鼓励

查看全部评分

发表于 2009-7-17 08:28:45 | 显示全部楼层 来自: 中国山东滨州
交作业
! A" {. a% e4 }- e4 O 8.GIF

评分

参与人数 1三维币 +3 收起 理由
2005llnn + 3 参与鼓励

查看全部评分

发表于 2009-7-19 11:39:10 | 显示全部楼层 来自: 中国福建莆田
练习拉
* a; I+ X% _" V* m0 h7 Y- O7 f 未命名.jpg

评分

参与人数 1三维币 +3 收起 理由
2005llnn + 3 参与鼓励

查看全部评分

发表于 2009-7-30 17:02:22 | 显示全部楼层 来自: 中国江苏无锡
我也来画一个。。。
8888.jpg

评分

参与人数 1三维币 +3 收起 理由
2005llnn + 3 参与鼓励

查看全部评分

发表于 2009-8-1 15:13:30 | 显示全部楼层 来自: 中国北京
基础综合练习8
8.jpg

Drawing8.dwg

79.31 KB, 下载次数: 1

评分

参与人数 1三维币 +3 收起 理由
2005llnn + 3 参与鼓励

查看全部评分

发表于 2009-9-11 19:19:35 | 显示全部楼层 来自: 中国吉林吉林市
很多地方画的不知道对不对
QQ截图未命名.jpg

评分

参与人数 1三维币 +3 收起 理由
2005llnn + 3 参与鼓励

查看全部评分

发表于 2009-9-24 19:48:04 | 显示全部楼层 来自: 中国广东汕头
交作业了,很容易啊,版主这个练习只用5分钟还算可以吗?
lx8.jpg

评分

参与人数 1三维币 +3 收起 理由
2005llnn + 3 参与鼓励

查看全部评分

发表于 2009-9-27 23:28:41 | 显示全部楼层 来自: 中国陕西西安
练习练习,交作业
基础综合练习08.jpg

评分

参与人数 1三维币 +3 收起 理由
2005llnn + 3 参与鼓励

查看全部评分

发表于 2009-9-28 19:52:10 | 显示全部楼层 来自: 中国湖北荆州
交作业啦!!
( t$ G8 a7 {, m  V8 I, { 基础练习08.jpg

评分

参与人数 1三维币 +3 收起 理由
2005llnn + 3 参与鼓励

查看全部评分

发表于 2009-9-29 17:59:38 | 显示全部楼层 来自: 中国山东德州
有点意思,不错
QQ截图未命名000.jpg

评分

参与人数 1三维币 +3 收起 理由
2005llnn + 3 参与鼓励

查看全部评分

发表于 2009-10-7 12:23:51 | 显示全部楼层 来自: 中国云南昆明
交作业了哈,请多多指正!% T- a2 t! z1 m
M_8S%AVPYQ%@9@%~@B`ILYB.jpg

评分

参与人数 1三维币 +3 收起 理由
2005llnn + 3 参与鼓励

查看全部评分

发表于 2009-10-10 09:27:27 | 显示全部楼层 来自: 中国北京

又完成了一个练习

练习8,交作业啦
练习8.JPG

评分

参与人数 1三维币 +3 收起 理由
2005llnn + 3 参与鼓励

查看全部评分

发表于 2009-10-28 16:45:30 | 显示全部楼层 来自: 中国江苏常州

基础练习8

基础练习8 8.JPG

评分

参与人数 1三维币 +3 收起 理由
2005llnn + 3 参与鼓励

查看全部评分

发表于 2010-1-3 20:08:29 | 显示全部楼层 来自: 中国广东广州
完成
" r' r* e* k6 N0 o2 T交作业
3.jpg

评分

参与人数 1三维币 +3 收起 理由
2005llnn + 3 参与鼓励

查看全部评分

发表回复
您需要登录后才可以回帖 登录 | 注册

本版积分规则


Licensed Copyright © 2016-2020 http://www.3dportal.cn/ All Rights Reserved 京 ICP备13008828号

小黑屋|手机版|Archiver|三维网 ( 京ICP备2023026364号-1 )

快速回复 返回顶部 返回列表