QQ登录

只需一步,快速开始

登录 | 注册 | 找回密码

三维网

 找回密码
 注册

QQ登录

只需一步,快速开始

展开

通知     

楼主: xiaoyeren
收起左侧

[讨论] 平衡阀的工作原理

[复制链接]
发表于 2010-8-2 18:02:53 | 显示全部楼层 来自: 中国江苏泰州
86# guming1967
9 Q" a# f$ c+ Z) r
2 X' o  s- O* u4 y) k  M2 ~4 b  y0 k兄弟,一般而言抗衡阀的设定压应该是负载感应压力的1.3倍,那个阀你回来没有设定吗?这个阀理论最阀负载压力为215bar,你如果觉得压力偏低,你可以考虑选用CBCG的
发表于 2010-8-2 18:05:18 | 显示全部楼层 来自: 中国江苏连云港
楼主可以看下力士乐或者立新的样本,都有详细的介绍,另外液压与气压传动这本书上,也有。
发表于 2010-8-3 18:51:37 | 显示全部楼层 来自: 中国江苏泰州
一般所说的平衡阀有两个分类,一种结构如SUN的经典结构,暂且称之为压力型。一种如BUCHER,REXROTH的FD的可以称之为流量型的。
6 }  r9 ~2 _( ?3 x$ h/ H一般而言,没特殊要求的用压力型的,便宜,简单1 L0 ^* p- L* I( t3 H, J
特殊负载用流量型的,不同控制方式可以达到不同的效果,可以将负载特性做到尽善尽美
螺纹插装阀.jpg
CB2A--280bar.jpg
发表于 2010-8-4 07:32:59 | 显示全部楼层 来自: 中国江苏泰州
流量型和压力型有很大的区别
4 j+ J5 b! n& V4 _% p$ }4 D* b流量型的说道太多了
8 _" o1 m0 V! j: _7 Hwqj0621 发表于 2008-11-13 09:25 http://www.3dportal.cn/discuz/images/common/back.gif

( G6 H+ M  S  W. N. g. b  {5 z4 U, Y- X" {1 A7 y0 W5 R
这位哥们无疑是高手,切磋一下QQ--34109851
发表于 2010-11-13 15:32:13 | 显示全部楼层 来自: 中国河北邢台
正在学习了解平衡阀,谢谢大家上传的东
发表于 2010-11-14 07:07:15 | 显示全部楼层 来自: 中国江苏泰州
你这上面讲的那个是平衡阀??? 7# mjxmj_nx ni
发表于 2010-11-15 13:16:54 | 显示全部楼层 来自: 中国辽宁大连
新手,过来学习一下,平衡阀的工作原理不太了解
发表于 2010-12-3 18:27:57 | 显示全部楼层 来自: 中国山东济南
平衡阀是在水力工况下,起到动态、静态平衡调节的阀门。如:静态平衡阀,动态平衡阀。
$ m% Q  h0 X6 I* r' M静态平衡阀亦称平衡阀、手动平衡阀、数字锁定平衡阀、双位调节阀等,它是通过改变阀芯与阀座的间隙(开度),来改变流经阀门的流动阻力以达到调节流量的目的,其作用对象是系统的阻力,能够将新的水量按照设计计算的比例平衡分配,各支路同时按比例增减,仍然满足当前气候需要下的部份负荷的流量需求,起到热平衡的作用。9 L% e5 _' \+ L7 I
动态平衡阀分为动态流量平衡阀,自力式自身压差控制阀等。( Z, \) F0 m. C$ j6 U  k+ k
动态流量平衡阀亦称:自力式流量控制阀、自力式平衡阀、定流量阀、自动平衡阀等,它是跟据系统工况(压差)变动而自动变化阻力系数,在一定的压差范围内,可以有效地控制通过的流量保持一个常值,即当阀门前后的压差增大时,通过阀门的自动关小的动作能够保持流量不增大,反之,当压差减小时,阀门自动开大,流量仍照保持恒定,但是,当压差小于或大于阀门的正常工作范围时,它毕竟不能提供额外的压头,此时阀门打到全开或全关位置流量仍然比设定流量低或高不能控制。: P  ^6 ?& |" T5 Z9 d1 R9 ?2 g  m
动态压差平衡阀,亦称自力式压差控制阀、差压控制器、稳压变量同步器、压差平衡阀等,它是用压差作用来调节阀门的开度,利用阀芯的压降变化来弥补管路阻力的变化,从而使在工况变化时能保持压差基本不变,它的原理是在一定的流量范围内,可以有效地控制被控系统的压差恒定,即当系统的压差增大时,通过阀门的自动关小动作,它能保证被控系统压差增大反之,当压差减小时,阀门自动开大,压差仍保持恒定。自力式压差控制阀,在控制范围内自动阀塞为关闭状态,阀门两端压差超过预设定值,阀塞自动打开并在感压膜作用下自动调节开度,保持阀门两端压差相对恒定。0 h0 t7 r% R, Z- x9 y0 `

. M# U3 \5 }4 ]  l动态平衡阀分为流量(流量动态控制阀)和压差(自力式压差控制阀)控制两种,他们和静态区别在于静态平衡阀(也叫做数字锁定平衡阀)需要通过专用智能仪表进行一次性调试后锁定,将系统的总水量控制在合理范围内,但是每次改动都需要通过仪表对阀进行再锁定,动态的是自力的不用这么麻烦的,依靠管网中被调介质自身的压力变化进行自动恒定流量,静态的在工程造价上要略微便宜些!
发表于 2010-12-3 20:50:34 | 显示全部楼层 来自: 中国上海
单向顺序阀,单向节流阀都可以利用产生背压做为平衡阀使用
发表于 2010-12-8 23:05:48 | 显示全部楼层 来自: 中国广西柳州
许多场合里面把单项顺序阀也称作平衡阀,其实有专业的平衡阀例如力士乐的FD型平衡阀,建议楼主看下楼上弟兄们提供的样本资料比较看则会更明白
发表于 2010-12-10 08:37:08 | 显示全部楼层 来自: 中国上海
常见的平衡阀有单向顺序阀,单向节流阀在系统充当。
发表于 2010-12-10 09:26:56 | 显示全部楼层 来自: 中国吉林吉林市
新手,过来学习一下- W: W9 v3 d1 Z1 N
同时也感谢的楼主无私分享
发表于 2010-12-10 15:54:40 | 显示全部楼层 来自: 中国浙江宁波
怎么才可以下载啊
发表于 2010-12-11 21:52:41 | 显示全部楼层 来自: 中国辽宁沈阳
最近在学习平衡阀 看了大家的讨论获益良多
发表于 2010-12-25 18:42:59 | 显示全部楼层 来自: 中国北京
平衡阀是在水力工况下,起到动态、静态平衡调节的阀门。如:静态平衡阀,动态平衡阀。( O; n0 V& Q+ r* X: E5 ~
静态平衡阀亦称平衡阀、手动平衡阀、数字锁定平衡阀、双位调节阀等,它是通过改变阀芯与阀座的间隙(开度),来改变流经阀门的 ...* X% l8 M# h- Q3 ~: X) e4 K1 |
济南学大 发表于 2010-12-3 18:27 http://www.3dportal.cn/discuz/images/common/back.gif
. m8 U- X- Q2 ^+ A$ z- r
: C* u3 X* u: z/ B" K3 N

' {0 ?0 ?6 s! P# Z9 n6 P简单的转载,用处不大
发表于 2010-12-26 00:50:20 | 显示全部楼层 来自: 中国上海
对于这种外控的平衡阀的背压一般也就10bar左右,当开启后,重力负载可能还会大背压很多,怎么会起到限速的作用呢?
  m2 J$ q& ~5 ?. Vxiaozhao128 发表于 2009-4-22 16:43 http://www.3dportal.cn/discuz/images/common/back.gif

: Z9 K; z' y3 u, U+ C也一直在这个结点上疑惑。
发表于 2010-12-26 14:44:16 | 显示全部楼层 来自: 中国河北唐山
布赫的平衡法不错 他们给我们公司做过培训,他们网站上有资料你去看看
发表于 2011-2-20 00:56:52 | 显示全部楼层 来自: 中国湖南长沙
sun的平衡阀不错
发表于 2011-2-25 08:29:53 | 显示全部楼层 来自: 中国上海
第一次知道还有流量型平衡阀。
发表于 2011-2-25 10:40:05 | 显示全部楼层 来自: 中国湖北十堰
跟着楼主学习一番,不错
发表于 2011-4-5 15:22:50 | 显示全部楼层 来自: 中国宁夏银川
有绝对无震荡的平衡阀吗?平衡阀如有用在同步要求的多缸回路中,有怎么设计?
发表于 2011-8-4 17:35:42 | 显示全部楼层 来自: 中国山东烟台
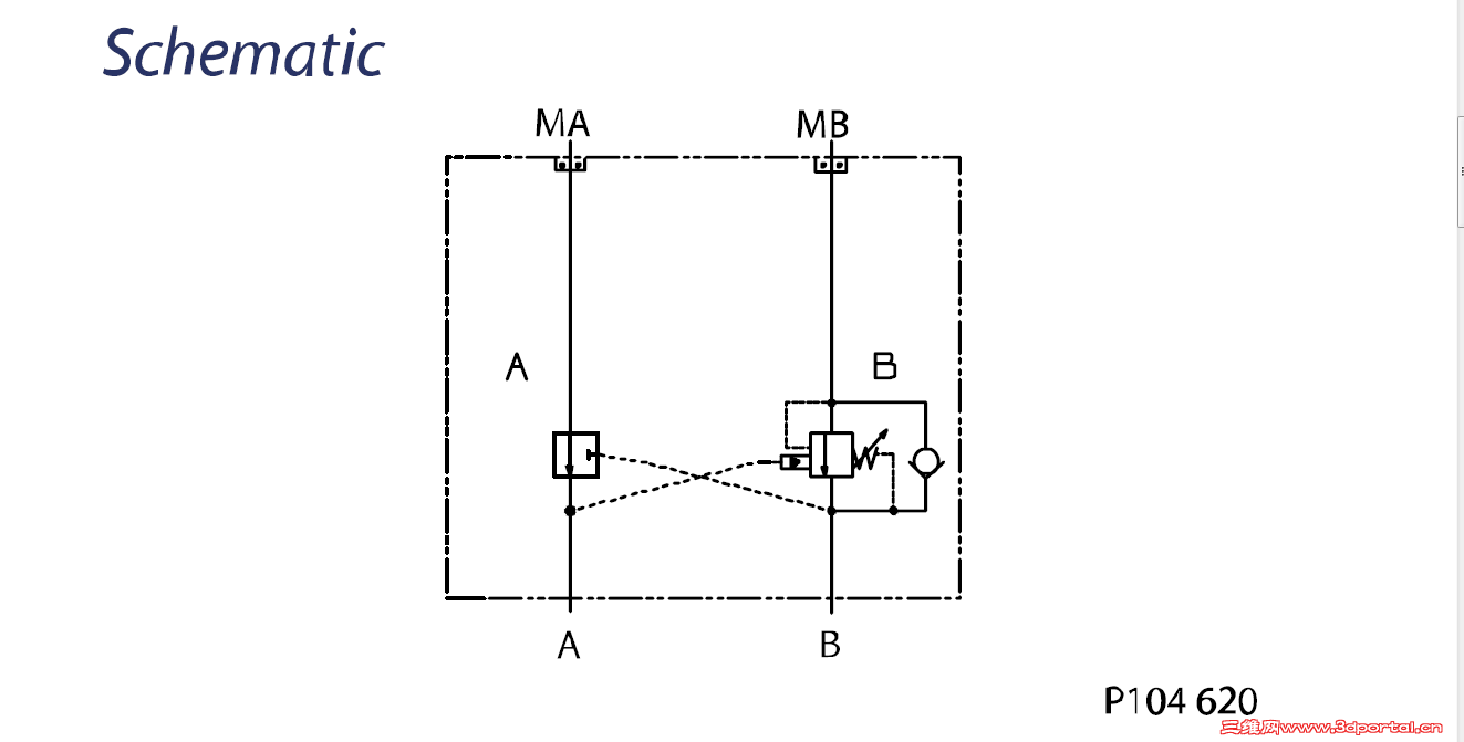
这是插装式平衡阀的液压原理图,很清晰的,希望对你有用
插装式平衡阀.png
发表于 2011-8-8 07:05:52 | 显示全部楼层 来自: 中国上海
单向节流阀,单向顺序阀常用作平衡阀
发表于 2011-8-13 05:46:17 | 显示全部楼层 来自: 委内瑞拉
学习到了,不错,谢谢
发表于 2011-8-14 20:36:10 | 显示全部楼层 来自: 中国宁夏银川
磨费时间,怎么没见一个高手
发表回复
您需要登录后才可以回帖 登录 | 注册

本版积分规则


Licensed Copyright © 2016-2020 http://www.3dportal.cn/ All Rights Reserved 京 ICP备13008828号

小黑屋|手机版|Archiver|三维网 ( 京ICP备2023026364号-1 )

快速回复 返回顶部 返回列表