QQ登录

只需一步,快速开始

登录 | 注册 | 找回密码

三维网

 找回密码
 注册

QQ登录

只需一步,快速开始

展开

通知     

全站
7天前
楼主: muhdi
收起左侧

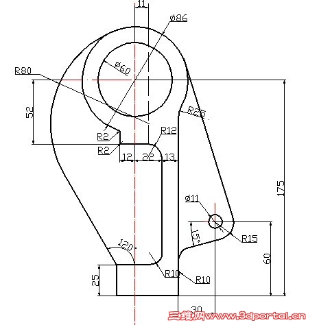
[练习题] 基础综合练习08

[复制链接]
发表于 2010-4-23 15:06:15 | 显示全部楼层 来自: 中国浙江嘉兴
练习再练习,希望提高水平
Drawing08.jpg

评分

参与人数 1三维币 +3 收起 理由
2005llnn + 3 参与鼓励

查看全部评分

发表于 2010-4-24 22:17:56 | 显示全部楼层 来自: 中国广东广州
截图15.png 我的作业。。嘿嘿。。顺便问问那r80的中点怎么算的

评分

参与人数 1三维币 +3 收起 理由
2005llnn + 3 参与鼓励

查看全部评分

发表于 2010-8-8 22:47:08 | 显示全部楼层 来自: 中国广东东莞
新手来指教
08.jpg

评分

参与人数 1三维币 +3 收起 理由
2005llnn + 3 参与鼓励

查看全部评分

发表于 2010-8-27 16:18:54 | 显示全部楼层 来自: 中国浙江湖州
80的圆还不是很懂额
QQ截图未命名.png

评分

参与人数 1三维币 +3 收起 理由
2005llnn + 3 参与鼓励

查看全部评分

发表于 2010-9-4 14:19:07 | 显示全部楼层 来自: 中国江苏镇江
感谢,会画R80了
100904114704875f42468c996c.jpg

评分

参与人数 1三维币 +3 收起 理由
2005llnn + 3 参与鼓励

查看全部评分

发表于 2010-9-10 20:18:34 | 显示全部楼层 来自: 中国浙江宁波
再次搞定了一个,哈哈哈哈哈
1.jpg

评分

参与人数 1三维币 +3 收起 理由
2005llnn + 3 参与鼓励

查看全部评分

发表于 2010-9-12 12:34:32 | 显示全部楼层 来自: 中国江苏南京
8.jpg

评分

参与人数 1三维币 +3 收起 理由
2005llnn + 3 参与鼓励

查看全部评分

发表于 2010-11-22 13:44:21 | 显示全部楼层 来自: 中国江苏南京
今天不忙,画了几个
QQ截图未命名8.png

评分

参与人数 1三维币 +3 收起 理由
2005llnn + 3 参与鼓励

查看全部评分

发表于 2011-5-16 18:12:55 | 显示全部楼层 来自: 中国北京
交作业
7 |7 D) b4 J% _; d& u 快照8.gif

评分

参与人数 1三维币 +3 收起 理由
2005llnn + 3 参与鼓励

查看全部评分

发表于 2011-5-23 11:04:16 | 显示全部楼层 来自: 中国江苏苏州
感谢muhdi   xuj321123   sww3843   wangrob  谢谢你们的分析指导!
练习8.jpg

评分

参与人数 1三维币 +3 收起 理由
2005llnn + 3 参与鼓励

查看全部评分

发表于 2011-6-11 09:12:20 | 显示全部楼层 来自: 中国浙江宁波
114.jpg 练练手

评分

参与人数 1三维币 +3 收起 理由
2005llnn + 3 参与鼓励

查看全部评分

发表于 2011-8-2 12:49:12 | 显示全部楼层 来自: 中国湖北武汉
新手学习,请多指教!!!
基础综合练习8.jpg

评分

参与人数 1三维币 +3 收起 理由
2005llnn + 3 参与鼓励

查看全部评分

发表于 2011-8-9 17:49:19 | 显示全部楼层 来自: 中国江苏南京
多多参加,增加练习
9 @3 v4 A2 B# \. ? 练习题.jpg

评分

参与人数 1三维币 +3 收起 理由
2005llnn + 3 参与鼓励

查看全部评分

发表于 2011-8-15 13:46:50 | 显示全部楼层 来自: 中国山东东营
888.jpg 完成任务

评分

参与人数 1三维币 +3 收起 理由
2005llnn + 3 参与鼓励

查看全部评分

发表于 2011-9-7 17:03:07 | 显示全部楼层 来自: 中国江苏盐城
开始看到这个图时觉得还挺好画的,后来画到R80的圆和120度直线的时候,却难住了,以后还是要多练习
8 O/ W' U0 Y' L& X8 w! k 12.JPG

评分

参与人数 1三维币 +3 收起 理由
2005llnn + 3 参与鼓励

查看全部评分

发表于 2011-9-16 10:36:34 | 显示全部楼层 来自: 中国广东江门
未命名.JPG

评分

参与人数 1三维币 +3 收起 理由
2005llnn + 3 参与鼓励

查看全部评分

头像被屏蔽
发表于 2011-9-18 17:55:18 | 显示全部楼层 来自: 中国湖北黄石
提示: 作者被禁止或删除 内容自动屏蔽
发表于 2011-11-1 16:32:17 | 显示全部楼层 来自: 中国山东济南
新手来交作业啦
捕获.PNG

评分

参与人数 1三维币 +3 收起 理由
2005llnn + 3 参与鼓励

查看全部评分

发表于 2011-11-2 09:34:41 | 显示全部楼层 来自: 中国山东菏泽
基础练习8
/ f* ?( M. F5 U1 B0 e1 ~5 U学习了
未命名.jpg

评分

参与人数 1三维币 +3 收起 理由
2005llnn + 3 参与鼓励

查看全部评分

发表于 2011-11-2 17:20:26 | 显示全部楼层 来自: 中国陕西西安
交作业 ,望指教
8.jpg

评分

参与人数 1三维币 +3 收起 理由
2005llnn + 3 参与鼓励

查看全部评分

发表于 2012-1-11 10:37:52 | 显示全部楼层 来自: 中国江苏苏州
交作业8 W8 l9 \! |6 t! W2 Z& N: k
练习08.JPG

评分

参与人数 1三维币 +3 收起 理由
2005llnn + 3 参与鼓励

查看全部评分

发表于 2012-1-14 15:45:59 | 显示全部楼层 来自: 中国福建泉州
本帖最后由 冰冻咖啡 于 2012-1-14 15:52 编辑 2 Z: t! j. O4 Z: s) p7 P. @  _

- P3 {( {( k1 O$ B8 W10个练习,从1作到10作了好久啊,一次发上来
2 ]/ R) t, R/ d) H9 `- W8 j) J' w5 W 基础综合练习8.JPG

评分

参与人数 1三维币 +3 收起 理由
2005llnn + 3 参与鼓励

查看全部评分

发表于 2012-1-19 17:15:54 | 显示全部楼层 来自: 中国广东佛山
交作业~!看看对不对~!
8.jpg

评分

参与人数 1三维币 +3 收起 理由
2005llnn + 3 参与鼓励

查看全部评分

发表于 2012-2-14 15:46:55 | 显示全部楼层 来自: 中国湖北黄石
做得不好,见笑了
练习八.png

评分

参与人数 1三维币 +3 收起 理由
2005llnn + 3 参与鼓励

查看全部评分

发表于 2012-4-7 21:48:48 | 显示全部楼层 来自: 中国广东肇庆
8989.jpg

评分

参与人数 1三维币 +3 收起 理由
2005llnn + 3 参与鼓励

查看全部评分

发表回复
您需要登录后才可以回帖 登录 | 注册

本版积分规则


Licensed Copyright © 2016-2020 http://www.3dportal.cn/ All Rights Reserved 京 ICP备13008828号

小黑屋|手机版|Archiver|三维网 ( 京ICP备2023026364号-1 )

快速回复 返回顶部 返回列表