QQ登录

只需一步,快速开始

登录 | 注册 | 找回密码

三维网

 找回密码
 注册

QQ登录

只需一步,快速开始

展开

通知     

楼主: binzhang
收起左侧

[讨论] 柱塞泵技术交流专贴(参与有奖)

[复制链接]
发表于 2007-8-15 17:30:59 | 显示全部楼层 来自: 中国江苏徐州

回复 #47 binzhang 的帖子

A2F6.1,力源、华德的产品质量一样还是不过关的
! U4 Z/ x' i# O2 T$ w3 @' E
0 {0 l' j: p6 C1 ~0 S这是实情,没有办法的。Rexroth有100多年的历史,我们呢?9 H( K/ {6 q. H( t* ?
A2F3.1,国外80年代的产品,我们引进消化了20多年啦。% ^9 i- ?- V6 B+ ]$ @
承认差距,务实进取,才能有所进步(要赶上,我这辈子是不可能啦,留给后人努力吧)。
发表于 2007-8-15 17:38:23 | 显示全部楼层 来自: 中国江苏徐州

回复 #52 tianshilei1031 的帖子

Rexroth 泵传动轴的轴伸部分一般是DIN 5480标准,但内部与缸体传动的那部分花键却是SAE花键4 N# R' [# H$ C% F) i) f3 m

* B6 P7 e% F/ P5 s3 @因为SAE双径节的平齿根齿侧配合有更好的缸体自位定心作用
% A$ @0 u, Z  B. V) m6 Y- L8 A当然小日本也有用JIS花键的(20度压力角,SAE 30/7.5/45度压力角,推荐30度)

评分

参与人数 1三维币 +30 收起 理由
binzhang + 30 很有实际经验阿,重奖

查看全部评分

头像被屏蔽
 楼主| 发表于 2007-8-17 11:18:16 | 显示全部楼层 来自: 中国贵州贵阳
提示: 作者被禁止或删除 内容自动屏蔽
发表于 2007-8-20 22:33:34 | 显示全部楼层 来自: 中国湖北武汉

我设计的径向柱塞泵为什么打不起压力

去年底设计了一台小型柱塞泵,一直打不起压力,这半年来始终找不到原因,当然,柱塞孔径为3,一共5个柱塞,径向分布.一直怀疑是柱塞孔的加工公差达不到设计要求,比如轴与孔的间隙设计为0.01以内,换了进口绞刀加工,还是打不起压力.希望斑竹和各位专家指点
发表于 2007-8-21 11:48:12 | 显示全部楼层 来自: 中国江苏徐州
楼上的能否上传一个结构图片
3 C% F8 Y3 J0 j7 u& P2 }这样大家集思广益,帮你分析一下,或许能解决问题
发表于 2007-8-22 07:57:42 | 显示全部楼层 来自: 中国江苏徐州

请教各位大虾一个问题

:( :(
1 l; v3 q1 P$ E% U" v5 _我们给用户做的柱塞泵缸体,加工是光洁度不是很好
  g, ?8 n- N2 M8 L$ W具体介绍如下:
0 Z2 x# E1 z/ n% w& d' ^材料 500-7
+ G5 `2 h4 t9 Y% r# e' O% A7 S3 M热处理 铸造毛坯,球化退火+正火+回火2 a; `% u* w, \1 U( b
) D; k/ H- g' L' y
请各位大虾赐教,如何解决机加工(外圆 、内孔,以及缸孔)光洁度问题

评分

参与人数 1三维币 +5 收起 理由
binzhang + 5 发起讨论

查看全部评分

发表于 2007-8-22 10:17:01 | 显示全部楼层 来自: 中国浙江宁波
:lol: 球铁缸体孔一般是氮化处理后进行珩磨,外圆光洁度无所谓的,平面研磨。
发表于 2007-8-22 10:28:03 | 显示全部楼层 来自: 中国浙江宁波
原帖由 sunring2k 于 2007-8-22 07:57 发表 http://www.3dportal.cn/discuz/images/common/back.gif) K( I4 o; N9 X/ q5 j5 a
:( :(
( k) ^7 {2 b/ I2 l, H我们给用户做的柱塞泵缸体,加工是光洁度不是很好
6 _* p" e! [6 {# x; Z具体介绍如下:
+ K7 I& k2 F. f+ ]材料 500-7
9 T; ]4 x+ Z6 ~3 Y0 n热处理 铸造毛坯,球化退火+正火+回火" ~7 g5 s- z1 L, L% A) S9 K

: Y) ]6 b3 X  z. D% h4 O6 C# F请各位大虾赐教,如何解决机加工(外圆 、内孔,以及缸孔)光洁度问题
+ \# F# D- v, n/ E4 K5 k

0 n! }3 n, H. r) Z0 B贵公司的球铁是进口材料还是国内铸造厂自行生产的?据我多年的经验,国产的该材料普遍存在热处理后变形严重以及不适合高转速工况问题(试验时柱塞与缸体粘连),你们的材料质量如何?& T) q4 _( B% o& o
* O( B7 s; Q1 }: @8 i8 p
[ 本帖最后由 lyf666777 于 2007-8-22 17:48 编辑 ]

评分

参与人数 1三维币 +8 收起 理由
binzhang + 8 应助

查看全部评分

发表于 2007-8-22 16:05:02 | 显示全部楼层 来自: 中国江苏徐州

回复 #158 lyf666777 的帖子

国内铸造的,QT500-7
$ ~  |8 N- u3 T切削实际情况来看,组织性能不好9 N# P2 c2 {$ @' K: i- M, S
1 ^2 P7 g7 W$ U, c8 u% @2 p
所以向大家请教热处理工艺问题
发表于 2007-8-22 17:40:37 | 显示全部楼层 来自: 中国浙江宁波
这个问题要请教铸造方面的专家了,我对这行不懂,估计要控制铁水的温度以及元素的比例(如铜)吧。
头像被屏蔽
 楼主| 发表于 2007-8-23 10:07:40 | 显示全部楼层 来自: 中国贵州贵阳
提示: 作者被禁止或删除 内容自动屏蔽
发表于 2007-8-24 08:04:45 | 显示全部楼层 来自: 美国
[quote]原帖由 lyf666777 于 2007-8-14 08:08 发表 http://www.3dportal.cn/discuz/images/common/back.gif; L6 H6 y7 E3 t1 B( Z: c: W
据我的经验在零件质量排除的情况下,其原因一是由于柱塞与缸体粘连所致(检查柱塞外径以及缸体孔是否有拉伤痕迹),") n: ]) Q2 z# p) |0 c+ t9 D
从柱塞的情况来看,完全符合这种情况,其外径表面有很明显拉伤的痕迹。这说明你判断是正确的。我想请教一下,有哪些原因会导致粘连的产生呢?8 f+ l7 M* q" |

2 r+ ~" f2 I- t* x- Q9 {: }; {[ 本帖最后由 levi.lin 于 2007-8-24 08:08 编辑 ]
发表于 2007-8-24 08:55:42 | 显示全部楼层 来自: 中国浙江宁波
原因很多,一般从以下几点去分析:
0 q. [1 z7 O& V  h+ v# C' G/ [: U1.油液清洁度;
. `$ f; l2 [! B( s0 |" G2.超速运转;: y" S+ n0 o' @
3.缸体孔与柱塞间隙控制不合理,油温过高时卡死;
5 A0 Y" F" _( D, @# ~8 u4.缸体孔与柱塞表面硬度不够(不同摩擦付各厂家的要求不同);  v1 |/ g2 z' A" @7 Z' p' ]
5.缸体孔以及回程盘孔的位置度超差;
. K4 Z, a. g: U5 x& }# i' A9 K0 x6.... ...

评分

参与人数 1三维币 +5 收起 理由
binzhang + 5 应助

查看全部评分

发表于 2007-8-24 22:38:29 | 显示全部楼层 来自: 中国湖北武汉

电动柱塞泵打不起压力

sunring2k 〖三维学徒〗:你好
" I3 c, S  r1 D) k# C1 J* n0 I
" T7 A; t5 I# K: v     今天刚上来,明天我到公司后给你传一个结构图,多谢
发表于 2007-8-26 15:10:49 | 显示全部楼层 来自: 中国广东深圳

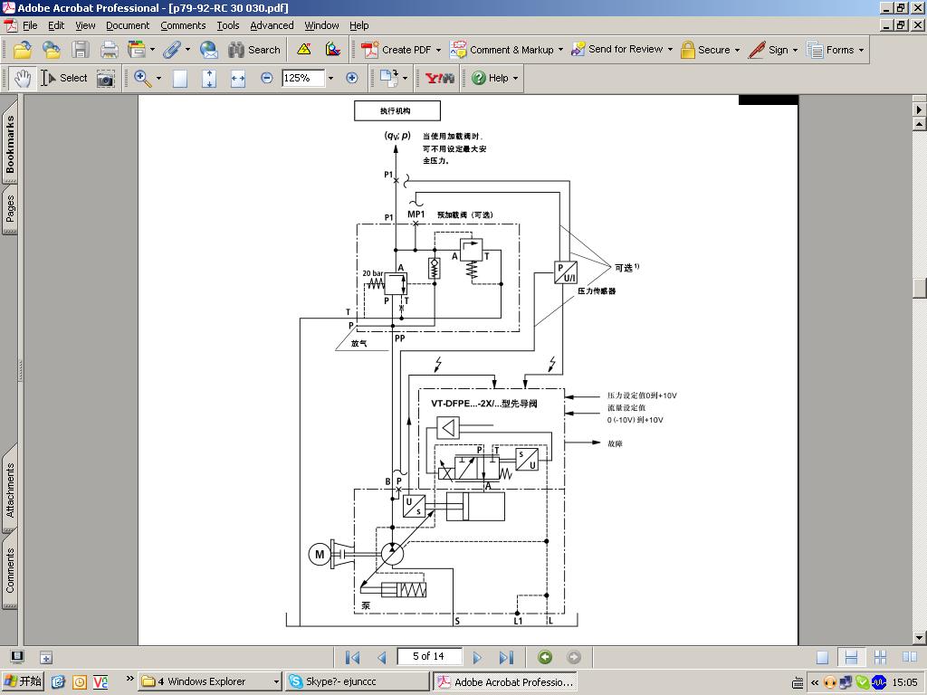
SYDFEE泵最低可控压力

力士乐SYDFEE泵如果没有预载阀则其最低控制压力为20bar左右,若泵出口安装了预载阀则其最低制压力可以为0,但是这个预载阀一直看不太懂,那个阀究竟是个减压阀还是顺序阀?那个单向阀起什么作用呢,请哪位高手指点一下,谢谢
/ a8 {1 P: e9 I& J- N- L/ U) r0 x6 \. z) f) B* ^
[ 本帖最后由 ejunccc 于 2007-8-26 20:05 编辑 ]
SYDFEE.JPG
发表于 2007-9-1 19:52:06 | 显示全部楼层 来自: 中国北京

径向柱塞泵

164楼的,我是专门研究径向柱塞泵的,设计过两种用途的泵,能把你的图纸发一份给我吗,我可以帮你分洗一下。我的邮箱zyagc@163.com
头像被屏蔽
 楼主| 发表于 2007-9-4 10:33:06 | 显示全部楼层 来自: 中国贵州贵阳
提示: 作者被禁止或删除 内容自动屏蔽
发表于 2007-9-4 20:06:09 | 显示全部楼层 来自: 中国福建厦门
请问老大,微型柱塞泵如何使流量稳定,因我再设计一款产品时要求流量不能太大,而出水口压力又不恒定,导致水量时大时小,没办法控制,如何使之恒定,或者使水量控制在一个范围内,但又要求体积要小* A1 Y2 z4 ?' e4 k# ^
+ Z+ f. g( {' x' O$ N# C! s3 q$ `
[ 本帖最后由 kingliu102 于 2007-9-5 11:06 编辑 ]
头像被屏蔽
 楼主| 发表于 2007-9-10 08:06:41 | 显示全部楼层 来自: 中国浙江杭州
提示: 作者被禁止或删除 内容自动屏蔽
发表于 2007-9-10 14:51:41 | 显示全部楼层 来自: 中国浙江宁波
柱塞泵或马达的输出轴的渐开线内花键一般采用什么方法加工?配流盘上与缸体接触处烧结的铜材料是什么牌号?柱塞和滑靴的制造工艺是怎样的?希望从事泵、马达生产厂家朋友回答一下!
, r! }; _) B* _8 ^9 ?& |; s* {* N
  e( P5 S* K3 g# e* k# K+ g[ 本帖最后由 sealive_leafage 于 2007-9-10 14:52 编辑 ]
发表于 2007-9-10 15:48:27 | 显示全部楼层 来自: 中国河南郑州
在国内对油液监测都不怎么好,其实国外很多公司很早都有在线油液检测设备,当然也和咱们的成本控制有关,中国人擅长的就是低成本制造阿,呵呵
头像被屏蔽
 楼主| 发表于 2007-9-10 16:02:08 | 显示全部楼层 来自: 中国浙江杭州
提示: 作者被禁止或删除 内容自动屏蔽
发表于 2007-9-11 17:09:47 | 显示全部楼层 来自: 中国河南新乡
我还要麻烦班主,我曾经问过一俄罗斯轮式挖掘机的主变量泵,应是双输出口,而非一进一回,请问内部是双泵并联?内部结构?在那能找到这方面的资料?谢谢
- T5 n) f+ s/ V7 ?9 d* X9 u9 d4 ^! O. e
[ 本帖最后由 jingdongbo 于 2007-9-11 17:13 编辑 ]
photo001.jpg
头像被屏蔽
 楼主| 发表于 2007-9-11 17:13:48 | 显示全部楼层 来自: 中国浙江杭州
提示: 作者被禁止或删除 内容自动屏蔽
发表于 2007-9-11 19:31:46 | 显示全部楼层 来自: 中国福建厦门
原帖由 binzhang 于 2007-9-10 08:06 发表 http://www.3dportal.cn/discuz/images/common/back.gif
+ k7 g7 z: P# q7 x( y; Z6 s/ _楼上你好,我不知道你所指的微型泵具体结构是什么,是不是和我们液压柱塞泵结构一样,所以不太敢下结论,你可以说详细点,没准有朋友可帮助你。
) _" k3 i8 Q7 ?* A$ _' p
版大,大概地原理图
dianchibeng.png
发表回复
您需要登录后才可以回帖 登录 | 注册

本版积分规则


Licensed Copyright © 2016-2020 http://www.3dportal.cn/ All Rights Reserved 京 ICP备13008828号

小黑屋|手机版|Archiver|三维网 ( 京ICP备2023026364号-1 )

快速回复 返回顶部 返回列表