QQ登录

只需一步,快速开始

登录 | 注册 | 找回密码

三维网

 找回密码
 注册

QQ登录

只需一步,快速开始

展开

通知     

查看: 4611|回复: 29
收起左侧

[已解决] 压力表开关

[复制链接]
发表于 2012-9-20 14:13:02 | 显示全部楼层 |阅读模式 来自: 中国四川资阳

马上注册,结识高手,享用更多资源,轻松玩转三维网社区。

您需要 登录 才可以下载或查看,没有帐号?注册

x
本帖最后由 xuexi520 于 2012-9-20 14:15 编辑
. f! b& H6 H- ~: p, R9 Q9 \4 ]" I) X8 b
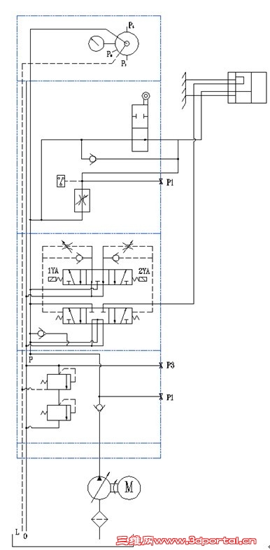
请老师看图:
6 M& b. Y: q8 @
( S$ n. p% E  k; E+ e: Z+ P( C0 ]压力表开关 一般有6个压力接口(与测压点连接)有一个安装压力表的接口还有一个泄油口
" O& s* g5 H4 @& U: H5 ]3 q
( D; M- w( M5 v但途中,黑线(进油口),这个进油 ,在压力表开关接口中找不到接的地方。请问各位老师 是不是资料错了啊??? 还是学生没理解到。
% ~# R0 V, c+ j+ ]) R+ T
01.jpg
02.jpg
发表于 2012-9-20 17:09:59 | 显示全部楼层 来自: 中国河南安阳
楼主的这个系统应该淘汰了吧* r1 |9 \4 Y: O# k' F6 V2 z
这个系统是国内较早的集成系统,楼主这个系统中使用的是三点压力表开关(不是6点)。( Y- M( Q7 ?8 v$ D8 ~& z
这个压力表开关是管式连接吧,3点的压力表开关应该有5个油口,一般油口旁有字头标注孔口的代号。

评分

参与人数 1三维币 +2 收起 理由
自流井 + 2 应助

查看全部评分

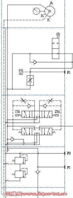
 楼主| 发表于 2012-9-20 19:48:25 | 显示全部楼层 来自: 中国四川资阳
9619 发表于 2012-9-20 17:09 static/image/common/back.gif
) l9 S4 |7 y: f4 R楼主的这个系统应该淘汰了吧。
) L- G6 [! g- N& I这个系统是国内较早的集成系统,楼主这个系统中使用的是三点压力表开关 ...

: b% m4 ^! Z: R- S谢谢! 这根细实线即图1标的进油。接在压力表中心,请问它的作用是???/ t$ {7 q: S3 W

7 e0 Q1 C/ x9 A# |学生理解: 貌似像P1.2.3那样 单纯的一个检测口 。0 l7 G; }9 }. V9 J6 A# V. Z

  i4 w0 E, C5 o4 }0 m$ I% l请赐教
发表于 2012-9-20 20:44:36 | 显示全部楼层 来自: 中国四川成都
接测压管和泄油口的接口都在圆周上,用内六角螺堵的即是,盘上有相应的1~6油口指示。2 y9 B! X5 J- n+ d9 z

1 ]- l4 x' i% f 未命名.JPG

评分

参与人数 1三维币 +2 收起 理由
9619 + 2 技术讨论

查看全部评分

发表于 2012-9-20 21:16:48 | 显示全部楼层 来自: 中国北京
学习了,受教了,第一次见这种玩意
 楼主| 发表于 2012-9-21 13:57:19 | 显示全部楼层 来自: 中国四川资阳
cdxwg 发表于 2012-9-20 20:44 static/image/common/back.gif
2 l+ M) y& I. I" b$ @9 \* I1 I接测压管和泄油口的接口都在圆周上,用内六角螺堵的即是,盘上有相应的1~6油口指示。

* T0 i/ x4 }* ?) R# E4 l请老师看这根线,这根线是测的哪里的压力啊??! |/ k2 Z2 {7 z" n/ W/ ?

! X3 `; n, }  @% B: R; C, h9 W/ x7 d请赐教
02 (1).jpg
发表于 2012-9-21 16:30:27 | 显示全部楼层 来自: 中国四川成都
xuexi520 发表于 2012-9-21 13:57 static/image/common/back.gif
) ]# \* l2 j  k1 j& t请老师看这根线,这根线是测的哪里的压力啊??
" @8 @$ B0 ?# ~/ n, J: F2 T& k  `3 c6 R/ W
请赐教
" }1 ]+ U3 ~* P& r4 |/ q# Q" z
看图中是显示系统的P1的主压力,标注为P3应是控制压力。

评分

参与人数 1三维币 +2 收起 理由
9619 + 2 技术讨论

查看全部评分

发表于 2012-9-21 21:08:41 | 显示全部楼层 来自: 中国河南安阳
本帖最后由 9619 于 2012-9-21 21:09 编辑
4 ?' ?8 ]8 ]5 b  W6 ^
7 u! {& O2 @: O3 O楼主的这个图不完整。
2 d$ q% E' {  Y) A& M上面的那个P1应该是P2吧。
" |# C  c$ C& f  b1 Q+ c6 c这个控制油路与主油路之间的两个顺序阀没看明白(应该一个就够了吧)。
 楼主| 发表于 2012-9-23 12:58:15 | 显示全部楼层 来自: 中国四川资阳
谢谢 上面老师的指点。
8 k1 B5 E- j9 S3 O3 H% q# x; T5 a: I! _* I0 R& X4 Q
上面P1确实是P2,标注错了。现在图中有P1.P2.P3,最上面 压力开关处有对应的油口(即P1.P2.P3)。. h5 E$ w( ]5 E
但是学生有一疑惑:
- ]; y6 x, s0 o  ^- i0 S1 h如图。这条线从图中看出 是进油管道(整个管道)直接连到了  压力开关油口处(学生理解)( H+ E; V- R3 S6 i/ {9 ^6 \

' }  g, J# Q  o0 n6 w* u请问老师 这根线是检测系统 哪里的压力啊???
8 T2 b+ B; \' R5 u+ s" j+ M6 ]
01.jpg
发表于 2012-9-24 16:01:09 | 显示全部楼层 来自: 中国江苏常州
xuexi520 发表于 2012-9-24 13:20 static/image/common/back.gif8 o; n+ Q' W4 K: U* b; P2 B
请三位网论坛的 各位好心 老师 指点一下学生啊 ..

8 N0 `) K* D2 U. V7楼的都说是住压力了,你没仔细看吧
发表于 2012-9-24 16:40:00 | 显示全部楼层 来自: 中国江苏南通
早就可以丢掉了8 \3 M3 n# H) l2 h+ P
" L; `( w8 _) u, \! u( N
用自制的吧,省钱
 楼主| 发表于 2012-9-24 19:35:50 | 显示全部楼层 来自: 中国四川资阳
谢谢 各位老师的指点。
9 N0 H& ?# H; ~& T- q% p
+ y7 V  X- x: D6 Z根据7楼的意思,即这根细实线是检测主油路压力的(P1压力):但阀块图中有两处P1,根据图,这两处好像要打孔用油管单独接上压力开关,好像这里产生多余的测压点。(即产生了多余的工序打孔和油管)
2 O. W- K! J0 h3 }; u: p1 ^7 s  V* i3 M7 D- A  d
请老师赐教 这两处P1口 是否是多余的啊 ??6 P; P$ j/ @* D: T) [: F( D6 ^
5 a: q# Z5 o: b4 ?+ d
学生 敬礼
0 a/ m( D% [8 @
02.jpg
发表于 2012-9-25 20:18:52 | 显示全部楼层 来自: 中国河南安阳
xuexi520 发表于 2012-9-24 19:35 static/image/common/back.gif3 C* p  p+ z: Z% Q
谢谢 各位老师的指点。6 O1 N1 ^5 Q& c/ ?  M
" e6 Q% o$ c( A* I( k+ B4 d
根据7楼的意思,即这根细实线是检测主油路压力的(P1压力):但阀块图中有两处P1 ...
8 h$ A: v2 u6 m  e4 z0 r) h
楼主这个帖子是要分析这个图片呢还是要分析具体的系统。
8 R4 F6 I$ M0 s% N但是就这个图上面的标注或许有些问题(有时候厂家说明书提供的系统图会有问题),况且这个图也不完整,最好提供完整的图。
$ [  q6 b9 [: f" K% }
 楼主| 发表于 2012-9-26 13:37:23 | 显示全部楼层 来自: 中国四川资阳
9619 发表于 2012-9-25 20:18 static/image/common/back.gif. {+ Z6 m# Y* G" ~) i% L/ i5 S
楼主这个帖子是要分析这个图片呢还是要分析具体的系统。
0 j% F0 T' P# o9 i2 u) y5 j0 I但是就这个图上面的标注或许有些问题(有时候厂 ...
; X# A7 G4 ^, }' Z- H% \
谢谢!!!% g" X4 b% [3 ^  K, f8 c
( |5 f; `9 I2 ?0 X0 N3 m; I! U1 v
是根据 图片 分析 具体的系统。。。; L/ ]+ U5 @: A
& ]/ }; Q  M5 g) X
学生附上 完整图
! E2 }2 A* K# G+ |# I
6 W/ R+ c9 b8 U4 X5 J请赐教
( K: q. i( n! b0 L. R
01.jpg
02.jpg
发表于 2012-9-27 19:54:53 | 显示全部楼层 来自: 中国河南安阳
xuexi520 发表于 2012-9-26 13:37 static/image/common/back.gif9 t+ s# o- ~7 F* }
谢谢!!!
7 c) O/ f: l6 ?3 {5 H; c& D8 B. [) Q/ M2 B2 Z( x
是根据 图片 分析 具体的系统。。。

* [4 V/ B' Q9 Y- J7 L3 J; _2 DP1:系统压力
- V+ w) |9 M. z& C3 @' \P2:工进终了压力" [- q  Z5 I" }6 Z. h4 \
P3:背压6 L9 n2 o1 L; ?
系统使用的应该是K-6或K-6B压力表开关,只是用了三个测压点P1、P2、P3,下面的的那个集成块系统或许画法有问题(我现在手头没有这个资料),所以图中的黑线(进油口)不清楚是怎么回事。
发表于 2012-9-27 19:57:45 | 显示全部楼层 来自: 中国河南安阳
xuexi520 发表于 2012-9-24 19:35 static/image/common/back.gif
5 n9 i) t6 x3 R+ W0 s7 t2 @谢谢 各位老师的指点。2 K& I; R# K$ z8 f2 D+ m2 o

; G% ~# b+ _8 H  T1 I+ m根据7楼的意思,即这根细实线是检测主油路压力的(P1压力):但阀块图中有两处P1 ...
3 u1 W" e2 o7 p0 R
这两个测压点不是重复的,上面的那一个应该是P2,是油缸的后腔的压力。下面的P1才是系统的压力。
发表于 2012-9-27 20:24:33 | 显示全部楼层 来自: 中国河南安阳
cdxwg 发表于 2012-9-21 16:30 static/image/common/back.gif1 e+ p& g) @6 x0 i1 w9 i
看图中是显示系统的P1的主压力,标注为P3应是控制压力。

* ^2 H" ]7 B, f; w- X3 e% r! |这个集成块画的有问题,刚开始我也认为P3是控制压力。
' H7 D  g0 Q: r/ }$ u这个集成系统中不应该通的油路连通了。
发表于 2012-9-27 20:26:56 | 显示全部楼层 来自: 中国河南安阳
9619 发表于 2012-9-21 21:08 static/image/common/back.gif' C2 W7 t5 H1 Z) i
楼主的这个图不完整。% ~  w" W4 P7 a% W: A2 K; ^' g! s$ B' q
上面的那个P1应该是P2吧。
9 ~( N, T) A4 a' F! v8 [这个控制油路与主油路之间的两个顺序阀没看明白(应该一 ...
/ Y( z# [1 G; z" b4 q
看到完整的图明白了:6 Z# t+ J; P4 A# [' U' @
一个是顺序阀,另一个是背压阀。
发表于 2012-9-28 10:12:51 | 显示全部楼层 来自: 中国辽宁大连
这对楼主9#的问题:个人理解如下
$ u, A) O9 l  M, u9 R" ]# S4 s" L: Y# Y6 ~) q" G7 q) z# F5 q+ Z5 n1 m
此线路可理解为示意,也可理解为压力表常态工作状态,即把压力表设定为显示系统压力P1作为压力表常态工作状态
9 K8 `& V' m+ O0 K6 N- V9 R* s
发表于 2012-9-28 14:00:49 | 显示全部楼层 来自: 中国河北唐山
检测工作压力
 楼主| 发表于 2012-9-28 14:10:41 | 显示全部楼层 来自: 中国四川资阳
本帖最后由 xuexi520 于 2012-9-28 14:21 编辑
7 |: p; |9 w6 I+ N5 L- q6 w
+ B1 j7 h: C" @+ k) \首先向各位老师敬礼,非常感谢各位老师的热心回答,赐教。
% M: S- E% h6 L5 I9 _: P1 {: {% M, C4 z% q, R- \/ d
上面有位老师提到:& r5 ^$ ?$ B3 w- I
- ?% S! n8 c0 M% T% g+ |  Y3 l
下面的的那个集成块系统或许画法有问题(我现在手头没有这个资料),所以图中的黑线(进油口)不清楚是怎么回事。. ]4 v/ E1 w* g( G' n

. Q0 ~( h( v8 d& f这个 黑线(进油口) 检测的是系统的哪里的压力啊?(貌似图有错?)1 M: |  ]. ]: x

& i# Z8 C! a( o/ |- t: V. N7 `请   老师赐教....
* i( m4 w- s* [" b1 R9 e" A) F( u1 D/ d/ I% V2 r
谢谢
 楼主| 发表于 2012-10-3 15:27:43 | 显示全部楼层 来自: 中国四川资阳
祝各位老师中秋国庆节快乐...
3 b* m5 D- u( d- S  m; e! h
  P1 f( y6 s7 F学生   继续  等待  各位老师的指教...# M8 g, X9 L; \2 z( `# Y. B! w) G+ P

( U$ y, Z6 v( ?, q, A谢谢
发表于 2012-10-3 17:02:19 | 显示全部楼层 来自: 中国河南安阳
xuexi520 发表于 2012-9-28 14:10 static/image/common/back.gif# [( w1 v5 n' E9 b5 w
首先向各位老师敬礼,非常感谢各位老师的热心回答,赐教。: V, }% h& Y$ j4 J; L6 `

2 I) Y  q2 ^$ b# U9 p上面有位老师提到:
6 r0 g8 N3 A% V9 [% ?' B
上班后我给你查查资料。
 楼主| 发表于 2012-10-4 13:05:38 | 显示全部楼层 来自: 中国四川资阳
9619 发表于 2012-10-3 17:02 static/image/common/back.gif
9 B1 }9 x5 m0 `& @/ s3 s上班后我给你查查资料。
1 J; S% J0 S& Y/ ?# ?4 f/ Z. ]
谢谢 !!学生先谢谢了
发表于 2012-10-5 11:53:33 | 显示全部楼层 来自: 中国河南安阳
本帖最后由 9619 于 2012-10-5 11:58 编辑
) d* f! K6 ~4 [1 J3 d
% o4 f. ^1 M% N- J6 o从图纸的系统看,应该是国内较早的集成系统。
" g! ^* a% b6 d" I' K这个压力表开关应该是K-6(或K-6B)型,管式(或板式)链接。
! X; s- Q) O( r无论是管式链接还是板式连接都是由下面的集成块测压点引出,然后通过管路连接至压力表开关(或顶块),这类集成块设计一般是每一个集成块上都有泄露孔,位置相同(贯穿所有的集成块)直至顶块(或压力表的底面),图纸中的那个虚线就是泄露孔L。. q6 L3 O: c1 h6 ~
还有P孔、O孔也是贯穿的,或许P孔通过顶块与压力表开关联通了
% H* E% x4 b4 |5 n  I个人感觉这个油路图有些问题:系统图没问题;集成系统图有些不明白。
$ C' @! p, M8 q* H$ K/ n+ p楼主既提供了原理图有提供了集成系统图,有实物(或油路块图)吗。
发表回复
您需要登录后才可以回帖 登录 | 注册

本版积分规则


Licensed Copyright © 2016-2020 http://www.3dportal.cn/ All Rights Reserved 京 ICP备13008828号

小黑屋|手机版|Archiver|三维网 ( 京ICP备2023026364号-1 )

快速回复 返回顶部 返回列表