QQ登录

只需一步,快速开始

登录 | 注册 | 找回密码

三维网

 找回密码
 注册

QQ登录

只需一步,快速开始

展开

通知     

查看: 3173|回复: 29
收起左侧

[已解决] 遇到个难题 希望大神帮助【感谢gt.adan等各位论坛朋友 谢谢大家】

[复制链接]
发表于 2013-9-2 18:00:01 | 显示全部楼层 |阅读模式 来自: 中国安徽合肥

马上注册,结识高手,享用更多资源,轻松玩转三维网社区。

您需要 登录 才可以下载或查看,没有帐号?注册

x
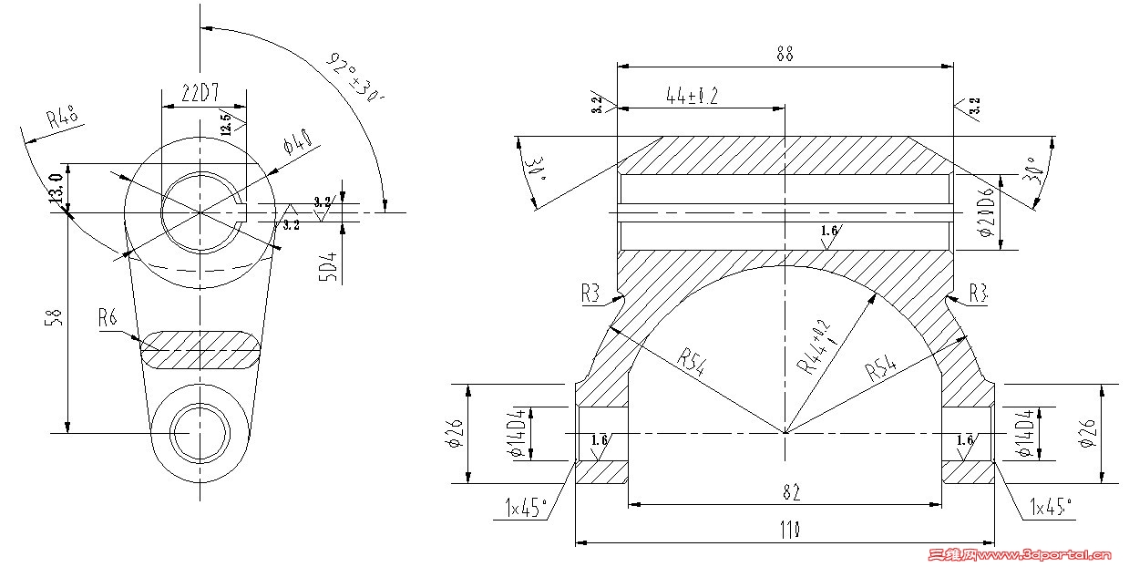
本帖最后由 小俊俊工艺 于 2013-9-5 20:36 编辑 * @9 X6 W, M4 \5 Q* n1 [! ?

( }# c) r1 Q9 j& G1 y大神前辈们 最近在做一个东西 其中 图中那个R6我感觉好不容易画 那个R6应该是简易旋转剖视
% \9 @9 }  E$ K9 I4 P6 @$ ]+ j& B  m- e% ^1 |3 k
如果能有大神帮忙画下就太感谢了 拜托!
& q8 Q; E* S( L& l" K0 A! h& _) e

1 o/ _9 n, n6 L, \: b1 H9 D已经解决了 我在看看附近好好学习一下& T- r  H. M3 X: G

5 F, |* j) v1 h7 d) U【感谢gt.adan等各位论坛朋友 谢谢大家】
1231231312.jpg
 楼主| 发表于 2013-9-2 18:14:13 | 显示全部楼层 来自: 中国安徽合肥
我画的图上 R6就没有体现出来 谢谢大家
12121.gif
发表于 2013-9-2 18:20:04 | 显示全部楼层 来自: 中国河北保定
那个是横断截面!
发表于 2013-9-2 18:21:02 | 显示全部楼层 来自: 中国河北保定
QQ图片20130902181843.jpg

评分

参与人数 1三维币 +3 收起 理由
阿帕奇 + 3

查看全部评分

发表于 2013-9-2 20:27:25 | 显示全部楼层 来自: 中国广东广州
4#看图很厉害啊!
发表于 2013-9-2 20:32:13 | 显示全部楼层 来自: 中国山东青岛
确实不好看
 楼主| 发表于 2013-9-2 21:14:06 | 显示全部楼层 来自: 中国安徽马鞍山
本帖最后由 小俊俊工艺 于 2013-9-2 21:23 编辑 ! E; R2 X0 q+ v5 e6 G- H
lanjiu1987 发表于 2013-9-2 18:21 static/image/common/back.gif

0 W  R) x  [- ^/ D, f您好 我知道是这个截面的视图 但是 现在建模就遇到问题了 # _! r! K3 q* w) a

  I- o) w5 D- `7 \. _这处的建模 我不知道怎么建 希望能得到您的帮助 谢谢!
发表于 2013-9-2 22:42:23 | 显示全部楼层 来自: 中国广东惠州
楼主近似吗?2 E+ c( ]8 |2 n! S" U$ c( k
0.250.jpg

评分

参与人数 1三维币 +1 收起 理由
阿帕奇 + 1 如可以,请分享源文件

查看全部评分

发表于 2013-9-3 07:20:25 | 显示全部楼层 来自: 中国浙江温州
扫描、放样均可,只要把引导线画出来就不成问题了。
发表于 2013-9-3 12:57:35 | 显示全部楼层 来自: 中国山东枣庄
8楼,理解力太高了!!!!!
发表于 2013-9-3 13:04:59 | 显示全部楼层 来自: 中国江苏南京
fsjt 发表于 2013-9-2 22:42 static/image/common/back.gif
8 m4 V( D$ \7 `4 }楼主近似吗?
+ }/ z% i5 P& G' l7 ]
8#可以分享个原文件供学习下吗?
 楼主| 发表于 2013-9-3 13:30:23 来自手机 | 显示全部楼层 来自: 中国安徽合肥
fsjt 发表于 2013-9-2 22:42
7 N7 C# U; K& F- e" ]3 B4 K8 j楼主近似吗?
& a7 N  L8 j2 n' M, N3 @
您好 感谢您的帮忙! 相似是相似 可是好像稍微与图不符 我画的无法利用倒圆角倒圆 倒圆的那个面是不是应该是变半径呢 ^-^
发表于 2013-9-3 20:54:24 | 显示全部楼层 来自: 中国福建福州
小俊俊工艺 发表于 2013-9-2 18:14 static/image/common/back.gif
1 L5 e/ {4 \  {0 {我画的图上 R6就没有体现出来 谢谢大家
$ h" w2 h& q$ e! I& f
你图画错了!两边是圆的!
发表于 2013-9-4 08:58:33 | 显示全部楼层 来自: 中国广东汕尾
8楼把那截面正确的描述出来了,其他的要自己改正了!!
发表于 2013-9-4 09:54:49 | 显示全部楼层 来自: 中国浙江温州
小俊俊工艺 发表于 2013-9-3 13:30 static/image/common/back.gif
( H+ c9 X2 @" V7 J% x您好 感谢您的帮忙! 相似是相似 可是好像稍微与图不符 我画的无法利用倒圆角倒圆 倒圆的那个面是不是应该 ...
- O1 S; {" h% V/ D0 S# y6 V
不是倒角的,是放样或扫描时的截面就已经是半圆了,直接成形的。

评分

参与人数 1三维币 +3 收起 理由
阿帕奇 + 3

查看全部评分

 楼主| 发表于 2013-9-4 11:02:36 来自手机 | 显示全部楼层 来自: 中国安徽合肥
qq625267377 发表于 2013-9-4 09:54
# b# d8 v8 e) i' U( s& f( j不是倒角的,是放样或扫描时的截面就已经是半圆了,直接成形的。
" s2 |1 U6 C/ Q1 h
哦 谢谢帮助 我再好好看看
 楼主| 发表于 2013-9-4 11:03:38 来自手机 | 显示全部楼层 来自: 中国安徽合肥
396785110 发表于 2013-9-3 20:54
+ J1 e! [- {  V4 A: a2 E& x你图画错了!两边是圆的!
' Y, l- F' o2 a& X2 X+ v6 [! {$ F
是的呀 我就不知道两大端面的圆角怎么放样生成(>﹏<)
发表于 2013-9-4 17:41:50 | 显示全部楼层 来自: 中国香港
fsjt 发表于 2013-9-2 22:42 static/image/common/back.gif* \- o4 n" x; k6 @! U; Q
楼主近似吗?
( y! O3 V, r! `: s' _
向fsjt兄學習
" u& H+ X% C7 [ capture26.png   l, n7 I) \& q3 n. l
发表于 2013-9-4 22:10:18 | 显示全部楼层 来自: 中国台湾
本帖最后由 gt.adan 于 2013-9-5 08:49 编辑 : k: P: D! N1 A. A& x8 E1 M# L

' m4 ~5 Q) c& q向悶大學習~~
* A, P' o0 |6 O% h
: ?7 H6 F* q" j 2013-9-5 上午 08-48-43.jpg 6 y0 h; j9 R  m7 k( t
# Y  P3 J! Q. d9 F# `* d
66.gif ( c8 j/ l. u# w1 }: `% m

# Z: J% o. T5 ^  l: [" z, n1 k+ B* L$ G
+ H3 w8 |8 O* B; }* z2 T+ G
发表于 2013-9-4 23:11:15 | 显示全部楼层 来自: 中国四川攀枝花
楼上画的零件都没有把R48画出来
0 m" ?' Y- ]' @- _2 \1 K9 c而且这个图的尺寸似乎有点问题!?
6 D; _/ h1 b) N t.png
) S2 s: O: ~8 a. t# c# \9 u
发表于 2013-9-5 00:38:35 | 显示全部楼层 来自: 中国台湾
本帖最后由 gt.adan 于 2013-9-5 08:51 编辑
: k# F, h5 p9 u& ?7 C# |
pzhzs 发表于 2013-9-4 23:11 static/image/common/back.gif! F+ k9 R0 Y: R1 @, h
楼上画的零件都没有把R48画出来8 s& v5 J) S: V. K
而且这个图的尺寸似乎有点问题!?

7 z/ y& U  i4 l前輩有請了~
9 l! |, I2 f3 i6 \話說回來,阿丹當初也覺得尺寸有問題,不過旨在練習建模,不足處勿怪…
6 W" N% S, k1 c6 Y9 n4 _: ^) `# R( {6 A- x
2013-9-5.gif
发表于 2013-9-5 11:01:36 | 显示全部楼层 来自: 中国四川攀枝花
gt.adan 发表于 2013-9-5 00:38 static/image/common/back.gif
2 m5 F: h$ R: ^$ ]/ q9 B前輩有請了~5 Q% {  _0 p7 H$ m
話說回來,阿丹當初也覺得尺寸有問題,不過旨在練習建模,不足處勿怪…

2 v' ?  c( s7 ?0 ^7 R1 K6 A, C/ E8 J; ~现在看到你画的R48了,开始没看见请别见怪# |" g9 N, M, @5 c* d. J  X
我也不是什么前辈,请别这样称呼
* ~: C3 L5 \1 R9 N, z; N1 M' u0 ?- }
# F7 t* p  n6 Q- f1 p9 g我开始也画了个,感觉图纸尺寸有问题就没有继续了。
发表于 2013-9-5 13:54:30 | 显示全部楼层 来自: 中国台湾
pzhzs 发表于 2013-9-5 11:01 static/image/common/back.gif9 \9 |/ }0 c+ i, L( d1 K: ~
现在看到你画的R48了,开始没看见请别见怪& O! ~9 }" ^) V: q% s/ ~
我也不是什么前辈,请别这样称呼
5 K+ D9 e6 q4 `6 W" f% F( E
呵呵,交流交流~無所謂見怪問題~* T( G6 m- _, _/ x4 h0 K8 _- H2 V
拜讀過前輩一些精彩文章,很是佩服呀~
 楼主| 发表于 2013-9-5 17:46:50 | 显示全部楼层 来自: 中国安徽马鞍山
Francis 发表于 2013-9-4 17:41 static/image/common/back.gif9 K  X0 X8 |; a
向fsjt兄學習
  r$ Z& j' C" q0 s- I% t
感谢帮助
 楼主| 发表于 2013-9-5 17:47:25 | 显示全部楼层 来自: 中国安徽马鞍山
gt.adan 发表于 2013-9-4 22:10 static/image/common/back.gif  t2 s) J  C# X  f! ~1 A8 Y
向悶大學習~~

1 \% b3 K% u0 @" L哇 太感谢您了!!!)15*()15*(
发表回复
您需要登录后才可以回帖 登录 | 注册

本版积分规则


Licensed Copyright © 2016-2020 http://www.3dportal.cn/ All Rights Reserved 京 ICP备13008828号

小黑屋|手机版|Archiver|三维网 ( 京ICP备2023026364号-1 )

快速回复 返回顶部 返回列表