QQ登录

只需一步,快速开始

登录 | 注册 | 找回密码

三维网

 找回密码
 注册

QQ登录

只需一步,快速开始

展开

通知     

查看: 2780|回复: 8
收起左侧

[求助] solidworks零件图如何设置各个面的草图显示?

[复制链接]
发表于 2013-11-29 11:10:37 | 显示全部楼层 |阅读模式 来自: 中国北京

马上注册,结识高手,享用更多资源,轻松玩转三维网社区。

您需要 登录 才可以下载或查看,没有帐号?注册

x
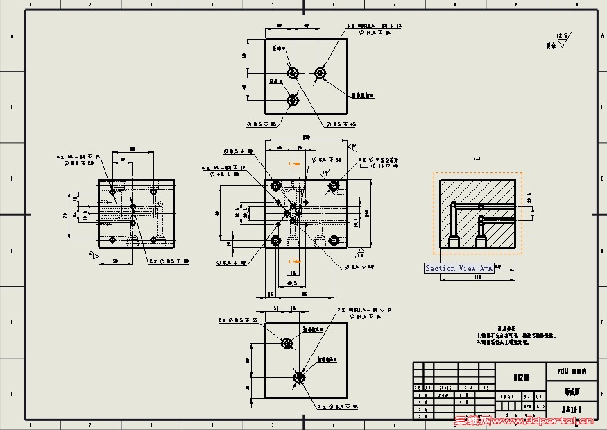
如图阀块的每个面都有不同的草图,同时显示比较乱,如何设置才能只显示当前面的草图。就是转到哪个面就只显示哪个面的草图,别的面的不显示,求大神帮忙,谢谢
1.jpg
 楼主| 发表于 2013-11-29 12:36:45 | 显示全部楼层 来自: 中国北京
寂静天花板 发表于 2013-11-29 11:58 static/image/common/back.gif( ~, [# Z+ H- I& w1 B9 R
你想显示当前的,那就让当前特征中的草图显示出来。

; e+ K7 ^5 d2 p$ d9 G3 Z所有草图我都要显示,我要不停地旋转,随时观察。就是想不让他显示 挡着的面 上的草图
发表于 2013-11-29 13:08:58 | 显示全部楼层 来自: 中国四川乐山
本帖最后由 啥都没准 于 2013-11-29 13:11 编辑
2 q2 l- H. S4 _+ u! i; |6 p
) |4 ^8 f9 A& [- x全部隐藏嘛,需要看哪个面的就显示哪个面的草图,不想看的就直接隐藏草图就可以了……
* d5 n6 f1 a5 X4 @/ Z0 D想要看阀体的内沟通情况的哈可以显示隐藏线看
QQ截图20131129131401.jpg
 楼主| 发表于 2013-11-29 13:25:10 | 显示全部楼层 来自: 中国北京
啥都没准 发表于 2013-11-29 13:08 static/image/common/back.gif: K! N& K0 y: |- F
全部隐藏嘛,需要看哪个面的就显示哪个面的草图,不想看的就直接隐藏草图就可以了……
- X* k+ J3 m9 R& c  f想要看阀体的内沟通 ...

% {* [' M' e) P恩  我知道全隐藏也可以   如果阀多的话不是看不出阀之间的距离和干涉了,  你也液压的?你们出工程图也
3 J3 q' U0 j. z: _/ Z+ N* w' b" Z用solidworks嘛?
发表于 2013-11-29 14:57:11 | 显示全部楼层 来自: 中国四川乐山
本帖最后由 啥都没准 于 2013-11-29 14:59 编辑
$ G5 s: \0 {/ }3 X2 W6 m9 P- S3 h
我要去巴黎 发表于 2013-11-29 13:25 http://www.3dportal.cn/discuz/static/image/common/back.gif
8 [0 u. p6 G  z恩  我知道全隐藏也可以   如果阀多的话不是看不出阀之间的距离和干涉了,  你也液压的?你们出工程图也# |* ~3 r8 V8 R- z! U/ c% G  w
...
; s: q9 c6 ?& h+ v4 [9 g- |% S5 @
8 B$ {6 d4 ?! Q3 I: j; M) e. K
都是比较简单的/ E8 }* \- T6 k: x7 h, Z" Y
QQ截图20131129150226.jpg
发表于 2013-11-30 00:17:42 | 显示全部楼层 来自: 中国广东深圳
楼主,SW还没开发这功能你就不要一定要求要有这功能嘛。我觉得要求你这样用法的估计是少之又少少之又少吧?SW不一定会投入资金去开发你想要的这功能
 楼主| 发表于 2013-12-1 09:49:31 | 显示全部楼层 来自: 中国北京
NC@jiang@nan 发表于 2013-11-30 00:17 static/image/common/back.gif, ~5 ^, `- i8 x# B
楼主,SW还没开发这功能你就不要一定要求要有这功能嘛。我觉得要求你这样用法的估计是少之又少少之又少吧? ...

+ a7 ]. R& q: C1 X注意没人去强求,我只是需要这么个功能,如果有怎么设置?没有就拉到
发表于 2013-12-1 09:52:33 | 显示全部楼层 来自: 中国辽宁盘锦
我要去巴黎 发表于 2013-12-1 09:49 static/image/common/back.gif
$ }" i% ?1 z3 Y( g: g6 l注意没人去强求,我只是需要这么个功能,如果有怎么设置?没有就拉到

9 t7 S; ]0 J" n8 y- i- q. ^你说的这个,还不如4楼的办法好,有些事只要你习惯就好4 r: }. Z" {" {' b; |
或者将面改成透明的都是好解决的( J( H5 l) B# M" M
工具首先是你得适应它,然后才能合理的使用它
 楼主| 发表于 2013-12-1 10:27:59 | 显示全部楼层 来自: 中国北京
阿帕奇 发表于 2013-12-1 09:52 static/image/common/back.gif# g. y" i: z* o: I- ?% N
你说的这个,还不如4楼的办法好,有些事只要你习惯就好) e( n+ d. v( _2 D/ o  ~4 w  O
或者将面改成透明的都是好解决的  Q- r  }9 T* J
工具首先是你得 ...
" Y' y/ z3 W( k7 z
个人习惯,个人喜好而已,每个人适应的角度不一样,我只是需求一种解决我问题的方法,我也不清楚具体存在不存在,所以问问大神们,如果没有这方面功能,我当然也就不会再纠结这个问题
发表回复
您需要登录后才可以回帖 登录 | 注册

本版积分规则


Licensed Copyright © 2016-2020 http://www.3dportal.cn/ All Rights Reserved 京 ICP备13008828号

小黑屋|手机版|Archiver|三维网 ( 京ICP备2023026364号-1 )

快速回复 返回顶部 返回列表