QQ登录

只需一步,快速开始

登录 | 注册 | 找回密码

三维网

 找回密码
 注册

QQ登录

只需一步,快速开始

展开

通知     

查看: 1891|回复: 6
收起左侧

[分享] 机械设计实例-销轴制造机设备

[复制链接]
发表于 2016-7-28 09:01:46 | 显示全部楼层 |阅读模式 来自: 中国河北
安装
主题分类用于问题归类:

马上注册,结识高手,享用更多资源,轻松玩转三维网社区。

您需要 登录 才可以下载或查看,没有帐号?注册

x
机械设计实例-销轴制造机设备
现在很多企业的工程师在具体的机械设计案例中都缺乏设计能力,本案例仅供参考,算作抛砖引玉。
该销轴制造机设备解决了现有技术不够合理等技术问题。工作平台上设有水平设置且能够周向转动的驱动轴,驱动轴上设有沿驱动轴轴向分布的第一驱动组件和第二驱动组件,第一驱动组件与截断机构相连且能带动截断机构工作,第二驱动组件与喂料机构相连且能带动喂料机构工作,且当驱动轴转动时所述的喂料机构和截断机构交替工作,截断机构位于喂料机构的一侧且能接收由喂料机构输入的条状物料并将条状物料截断成轴销。
与现有的技术相比,本销轴机的优点在于:1、设计合理,结构简单,工作效率高。2、自动化程度高,降低了工人们的劳动强度。
1111111111111111111.png
' U5 L% l" h3 w0 Q+ I9 v

, v' C' p2 E2 X/ C% H3 h

! X, M, z# T: ^; Y; n
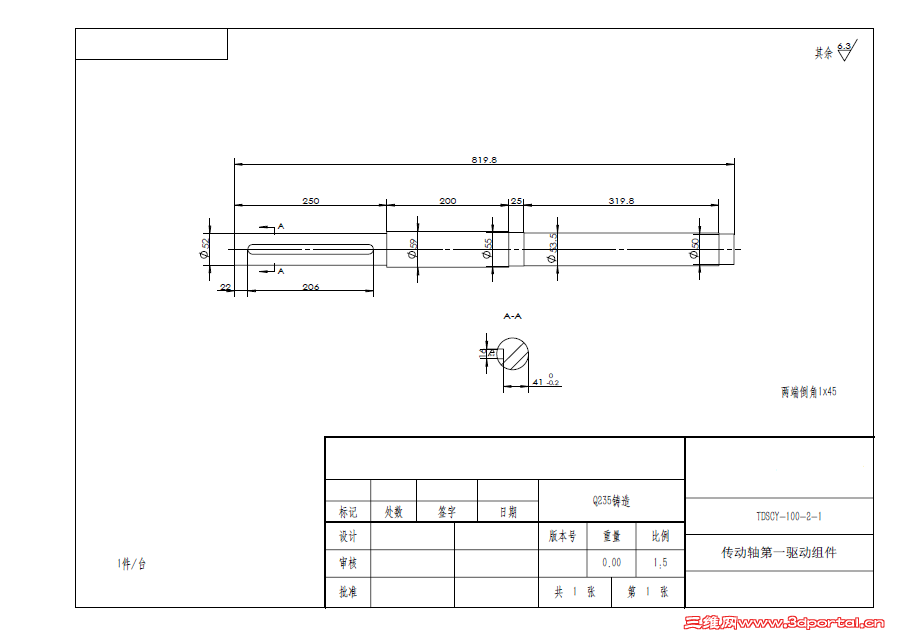
以下图工件为例:
       这是传动轴第一驱动组件,传动轴第一驱动组件与截断机构相连且能带动截断机构工作,所述的第二驱动组件与喂料机构相连且能带动喂料机构工作,且当驱动轴转动时所述的喂料机构和截断机构交替工作,所述的截断机构位于喂料机构的一侧且能接收由喂料机构输入的条状物料并将条状物料截断成轴销。: P/ t( I1 a5 _. `" X
22222222222222222222222222.png
" h$ [# b) ^- b
! Y+ ~+ N  C( K

1 B$ q: ?0 K5 ^5 N3 o
值得一提的是,在零件建模时,在命名零件文件名称时可使用一个小工具,在“代号”和“名称”写入相应属性值便可自动生成文件名称

* N6 c) h8 w; K. v9 Q
“TDSCY-100-1-1传动轴第一驱动组件 ”,出工程图便会自动生成上图中的标题栏属性值,很实用的一个工具。链接:http://pan.baidu.com/s/1bpDQXMR
3333333333333333.png
* L7 Y& Y) R+ H9 `: H: B4 a$ ]/ Y
9 B) q2 t, L4 i! A* t; ], U
由于时间关系先做这些探讨,以后有时间还会继续上传剩下的图纸,欢迎有识之士一起探讨!
& m5 w: X( \9 p2 Y  H

' X, y/ J- E, ^6 ^. o
+ u5 t: K3 d; s* t补充内容 (2016-8-4 17:45):
7 G8 ^( k( _% Z1 m: o* Q( p) xsolidworks自动命名工具备用下载链接:http://pan.baidu.com/s/1pLAfouB
1 x& S1 F4 U4 r5 x$ b
发表于 2016-9-14 15:25:55 | 显示全部楼层 来自: 中国浙江杭州
谢楼主分享
发表于 2016-9-17 12:25:52 | 显示全部楼层 来自: 中国广东东莞
能提供源文件共享就完美了
发表于 2016-9-29 11:47:53 | 显示全部楼层 来自: 中国浙江杭州
不错,谢楼主,祝国庆愉快
发表于 2016-9-29 12:29:11 | 显示全部楼层 来自: 中国安徽蚌埠
能介绍下,销轴的形状或者加工工艺(普通)
1 L8 o* j( Q. B( j  ^; ~. |设备大头没有办法想象怎么加工
发表于 2016-11-24 11:13:54 | 显示全部楼层 来自: 中国浙江杭州
插件还不错,谢分享
发表于 2016-12-2 10:40:30 | 显示全部楼层 来自: 中国浙江杭州
正在使用中,还不错,支持!
发表回复
您需要登录后才可以回帖 登录 | 注册

本版积分规则


Licensed Copyright © 2016-2020 http://www.3dportal.cn/ All Rights Reserved 京 ICP备13008828号

小黑屋|手机版|Archiver|三维网 ( 京ICP备2023026364号-1 )

快速回复 返回顶部 返回列表