QQ登录

只需一步,快速开始

登录 | 注册 | 找回密码

三维网

 找回密码
 注册

QQ登录

只需一步,快速开始

展开

通知     

查看: 1737|回复: 2
收起左侧

[求助] SW中加强筋特征失败

[复制链接]
发表于 2019-5-16 14:15:33 | 显示全部楼层 |阅读模式 来自: 中国江苏镇江
安装
主题分类用于问题归类:

马上注册,结识高手,享用更多资源,轻松玩转三维网社区。

您需要 登录 才可以下载或查看,没有帐号?注册

x
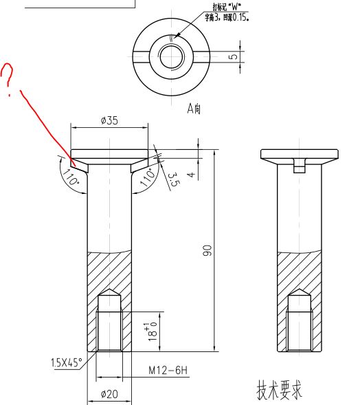
各位大神,图示中加强筋,只要草图尺寸17.32调整成17.32~17.5之间,形成筋特征时出错。求解
6 S7 o+ c" o: U" J0 }9 q  o

出错信息

出错信息

筋特征-草图

筋特征-草图

产品图

产品图
发表于 2019-5-16 15:18:40 | 显示全部楼层 来自: 中国辽宁丹东
本帖最后由 qiminger 于 2019-5-16 15:20 编辑 - b- D. }- \: R: _0 F

, {$ y8 l6 m* _) f, Z$ Q4 X4 b' F: o看楼主朋友图中应该是锻件,
+ x, r4 o9 K* c% }2 M$ k若是铸、锻或加工之类零件就不用筋特征。- Q' `# K/ ^3 |+ C9 D
下图是5厚方和35圆相交,中心至弦尺寸,筋不露板。
- A, G4 I1 Q/ s- ]若是焊件这个长度就正确。
( Z4 q  c$ Z0 o! |: q) v$ v& ?# w) B
2019-05-16_151222.jpg * ^+ ~$ U. s( s( V& B4 X9 ^! I# H% V
$ g$ o* Q* ~- U+ n  a
 楼主| 发表于 2019-5-17 09:46:14 | 显示全部楼层 来自: 中国江苏镇江
本帖最后由 richardday 于 2019-5-17 09:47 编辑 5 s! |1 }$ u0 A8 J) q5 r
0 Y/ @' k' M: I3 V' X3 R
@qiminger  确实是锻件。筋不露板,和实物有出入@寂静天花板:您这个如何形成的筋特征,请教下过程。
发表回复
您需要登录后才可以回帖 登录 | 注册

本版积分规则


Licensed Copyright © 2016-2020 http://www.3dportal.cn/ All Rights Reserved 京 ICP备13008828号

小黑屋|手机版|Archiver|三维网 ( 京ICP备2023026364号-1 )

快速回复 返回顶部 返回列表