QQ登录

只需一步,快速开始

登录 | 注册 | 找回密码

三维网

 找回密码
 注册

QQ登录

只需一步,快速开始

展开

通知     

全站
11天前
查看: 9234|回复: 90
收起左侧

一道简单的练习题[加分题]

 关闭 [复制链接]
发表于 2007-5-9 21:25:48 | 显示全部楼层 |阅读模式 来自: 中国山东烟台

马上注册,结识高手,享用更多资源,轻松玩转三维网社区。

您需要 登录 才可以下载或查看,没有帐号?注册

x
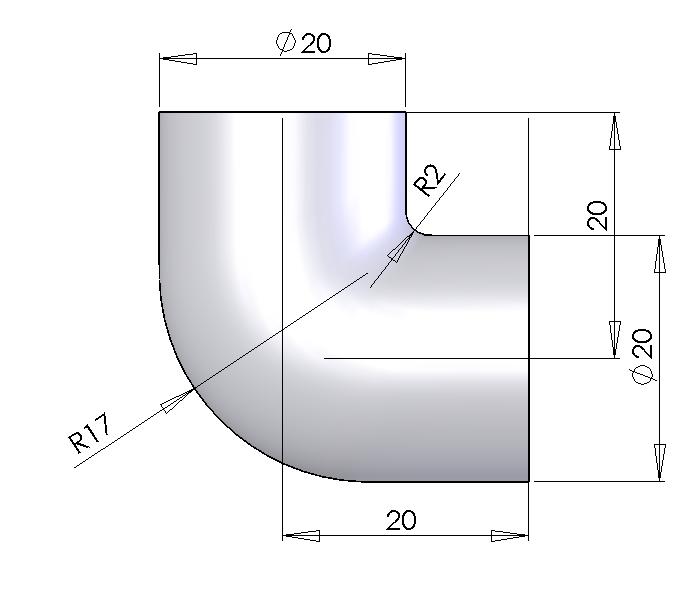
大家自由发挥,方法不限制,要求用solidworks做出,给出贴图和源文件(切记加90权限)。
$ S+ @% P9 O6 q- |补充:尺寸按照图片要求。
! E4 h' ^" j7 ]! Q
& v% }+ G: O& m( V[ 本帖最后由 sxw68 于 2007-5-10 10:36 编辑 ]
弯.jpg
发表于 2007-5-9 22:30:28 | 显示全部楼层 来自: 中国台湾
:lol: :lol:  差不好多   :victory:
11.jpg

评分

参与人数 1三维币 +2 收起 理由
sxw68 + 2 鼓励一下,不过没有按照尺寸要求,方法 ...

查看全部评分

发表于 2007-5-9 22:46:57 | 显示全部楼层 来自: 中国广东深圳
http://images13.51.com/14/a/73/bc/wuxingdewo1/814_532_bc36b52559fc6694.jpg
8 G2 {! Q& ?; H- ?. U5 _, r) K  n- y! E) H+ z: J! e
' B% g- p& j' O" c3 ^" O% s/ J
楼主图怎么贴啊!!先上一个原文件在说吧!!第一次做题目.  U& Z5 `* q- e' Y' d# {
# G6 N; |2 f; P" u- F
[ 本帖最后由 wuxingdewo12 于 2007-5-9 22:55 编辑 ]

弯管.rar

83.29 KB, 阅读权限: 90, 下载次数: 2

评分

参与人数 1三维币 +5 收起 理由
sxw68 + 5 能用另外一种方法奖励翻番

查看全部评分

发表于 2007-5-9 22:56:05 | 显示全部楼层 来自: 中国广东深圳

搞定

这里贴图是不是在放到自已的相册才可以贴啊
发表于 2007-5-9 23:19:24 | 显示全部楼层 来自: 中国重庆
我也做了个,不知是否符合要求,请楼主看一下.
& W5 }9 s: s% b( Z9 M0 b1 [1 D( _$ z: x6 D
[ 本帖最后由 阿郎 于 2007-5-9 23:22 编辑 ]
箂ン6.jpg

零件6.rar

43.45 KB, 阅读权限: 90, 下载次数: 1

评分

参与人数 1三维币 +5 收起 理由
sxw68 + 5 能用另外一种方法奖励翻番

查看全部评分

发表于 2007-5-10 10:26:39 | 显示全部楼层 来自: 中国浙江台州
为了加分,咱也也做做 :lol:
$ V) Y. `7 }4 ^4 A0 D3 b( X
{5B902018-F3C9-4D08-8EEB-81DC1242E3D1}0.jpg

练习题.rar

120.07 KB, 阅读权限: 90, 下载次数: 3

评分

参与人数 1三维币 +5 收起 理由
sxw68 + 5 能用另外一种方法奖励翻番

查看全部评分

发表于 2007-5-10 11:06:27 | 显示全部楼层 来自: 中国广东江门
呵呵,我用放样也做了一个,顺便请教一下怎么在实体上标尺寸~!!
8 {  F0 J) ?+ f8 K2 r6 P! k& ^* S# H+ W3 W. l
[ 本帖最后由 gui8101 于 2007-5-10 11:09 编辑 ]
1111.JPG

111.rar

122.54 KB, 阅读权限: 90, 下载次数: 1

评分

参与人数 1三维币 +5 收起 理由
sxw68 + 5 源文件是正确的,能用另外一种方法做奖 ...

查看全部评分

发表于 2007-5-10 11:44:16 | 显示全部楼层 来自: 中国浙江台州
这种放样的方法算不算另一种方法呢,期待加分
- Q# {" ]' B" f/ ~& U# |) T# \
4 U4 W% d2 U' ]% n6 |7 j$ J ! U7 f% K! h# V3 ~1 E
楼主不厚道啊,做出的效果非要我改    :victory: ) E5 @7 g6 \0 ]

, E, \2 B" _3 k$ v+ z[ 本帖最后由 hjjgy 于 2007-5-10 14:19 编辑 ]
{3C55559E-87DA-498E-AA87-6E41057FD98E}0.jpg
{312EA64A-FCE5-4401-9642-83A816FC3131}0.jpg

练习题(放样).rar

63.93 KB, 阅读权限: 90, 下载次数: 1

练习题(放样).rar

195.19 KB, 阅读权限: 90, 下载次数: 1

评分

参与人数 1三维币 +10 收起 理由
sxw68 + 10 第2种方法,请继续。不过第一种有问题 ...

查看全部评分

发表于 2007-5-10 12:36:12 | 显示全部楼层 来自: 中国台湾
:handshake 老大加分  正經點 :lol:
零件2.jpg
发表于 2007-5-10 13:46:57 | 显示全部楼层 来自: 中国湖北武汉
我也做了一个,不知道怎么样,嘿嘿!!!- N5 t* S( t; Y) B/ [4 L" J
3 ]* m3 `" x, T" d3 i6 o1 R5 A: ?
[ 本帖最后由 sxw68 于 2007-5-11 07:30 编辑 ]
未命名.JPG

弯管.rar

77.49 KB, 阅读权限: 90, 下载次数: 4

评分

参与人数 1三维币 +2 收起 理由
sxw68 + 2 鼓励一下,继续努力把它做出来,相信你 ...

查看全部评分

发表于 2007-5-10 13:54:48 | 显示全部楼层 来自: 中国
我也做一个,楼主看看与你的一样不?2 }- D6 P# p$ [  X; _
我把原文件也传上来,要不大家都不相信.
* L/ a5 a( T* @- {8 R( Q6 Q! U4 ]
8 [$ ^" h. m0 X7 g; J[ 本帖最后由 dxm 于 2007-5-10 14:30 编辑 ]
零件.jpg

零件.rar

42.6 KB, 阅读权限: 90, 下载次数: 1

评分

参与人数 1三维币 +5 收起 理由
sxw68 + 5 能用另外一种方法奖励翻番

查看全部评分

发表于 2007-5-10 15:12:08 | 显示全部楼层 来自: 中国河北邯郸
请检验是否相符。放样做出来的,扫描做不出来,用扫描做出来的请说一下。
弯管.JPG

弯管.rar

100.68 KB, 阅读权限: 90, 下载次数: 1

评分

参与人数 1三维币 +5 收起 理由
sxw68 + 5 能用另外一种方法奖励翻番

查看全部评分

发表于 2007-5-10 15:24:16 | 显示全部楼层 来自: 中国北京
怎样才能把做好的贴上来
发表于 2007-5-10 15:44:39 | 显示全部楼层 来自: 中国浙江杭州
有加分噢!哈哈,那顶个!~
{F146F1C8-D16B-450A-A6B8-26119C548166}.BMP
发表于 2007-5-10 16:00:13 | 显示全部楼层 来自: 中国浙江台州
原帖由 XXXXCCCC 于 2007-5-10 15:24 发表 http://www.3dportal.cn/discuz/images/common/back.gif
% M1 |: u. p% }( L; }怎样才能把做好的贴上来

+ s' ?' ~3 S# S0 E# M% v5 K% X3 ~8 T/ i8 Q$ C; g

9 s( l; r0 K" w! Z6 F点右下角的回复贴子就可以了。。
发表于 2007-5-10 16:21:55 | 显示全部楼层 来自: 中国贵州贵阳
用放样和扫描各搞了一个,老大批批啊!
放样.PNG
扫描.PNG

放样.rar

76.56 KB, 阅读权限: 90, 下载次数: 1

扫描.rar

75.73 KB, 阅读权限: 90, 下载次数: 2

评分

参与人数 1三维币 +10 收起 理由
sxw68 + 10 还能用另外一种方法作出,奖励还加。

查看全部评分

发表于 2007-5-10 16:23:25 | 显示全部楼层 来自: 美国
我用两种方法做出来了:一个是放样,前面很多人都用过了;另外一种是曲面填充,好像没有人用到。懒得贴出来了,麻烦。
8 y, R& P$ N$ B* O5 G. p$ A4 m& B0 P8 I  O
第三种扫描,暂时没搞定,还在琢磨中ing。
发表于 2007-5-10 17:15:35 | 显示全部楼层 来自: 中国广东汕头
我的练习
1.jpg

零件1.rar

43.12 KB, 阅读权限: 90, 下载次数: 1

评分

参与人数 1三维币 +5 收起 理由
sxw68 + 5 能用另外一种方法奖励翻番

查看全部评分

发表于 2007-5-10 17:34:34 | 显示全部楼层 来自: 中国湖北荆门
弯.jpg
1 y6 Z/ B: x1 W9 T" G  D/ s3 g5 O! a 弯.rar (67.19 KB, 下载次数: 1)

评分

参与人数 1三维币 +5 收起 理由
sxw68 + 5 能用另外一种方法奖励翻番,注意R2处过 ...

查看全部评分

发表于 2007-5-10 20:54:53 | 显示全部楼层 来自: 中国贵州贵阳
响应号召,再搞了个方法。
$ H+ z  [  W6 q" d用曲面 ,版大批哈
曲面.PNG

曲面.rar

139.48 KB, 阅读权限: 90, 下载次数: 1

评分

参与人数 1三维币 +5 收起 理由
sxw68 + 5 做的不错啊,但是质量算出来是不正确的呀。

查看全部评分

发表于 2007-5-10 21:48:03 | 显示全部楼层 来自: 中国辽宁抚顺
先来两个支持版大,别的方法...慢慢再想
1.jpg
2.jpg

1.rar

115.29 KB, 阅读权限: 90, 下载次数: 1

2.rar

117.02 KB, 阅读权限: 90, 下载次数: 1

评分

参与人数 1三维币 +8 收起 理由
sxw68 + 8 扫描的这个做的不准确,质量不对,原叫 ...

查看全部评分

发表于 2007-5-10 22:40:32 | 显示全部楼层 来自: 中国广东深圳

只会做扫描放样怎么做啊

只会做扫描放样怎么做啊
发表于 2007-5-10 23:04:24 | 显示全部楼层 来自: 中国广东深圳

楼主第二次做了

楼主第二次做了要多家几分啊9 `3 z1 {# ^- S/ r9 ?  T  ]

+ U* H' x4 }" ]; |7 zhttp://images13.51.com/14/a/73/bc/wuxingdewo1/892_582_930c5036bf31b596.jpg

曲面2.rar

129.89 KB, 阅读权限: 90, 下载次数: 1

评分

参与人数 1三维币 +2 收起 理由
sxw68 + 2 鼓励一下,圆柱怎么做出平面了,继续试 ...

查看全部评分

发表于 2007-5-11 00:50:15 | 显示全部楼层 来自: 中国台湾
強烈要求 老大  應該多貼出這個視角才算正確 :lol: :lol: :handshake
. R' W: V; h' R; j2 r. h: d0 A3 @2 R) ~, E! B7 ^
[ 本帖最后由 hidingman 于 2007-5-11 00:57 编辑 ]
11.jpg

零件2.rar

144.81 KB, 阅读权限: 90, 下载次数: 2

评分

参与人数 1三维币 +5 收起 理由
sxw68 + 5 圆角过渡处不好,想想其他方法。

查看全部评分

发表于 2007-5-11 06:20:37 | 显示全部楼层 来自: 美国
为什么不允许我下载诸位的弯管part文件??????????????????
发表回复
您需要登录后才可以回帖 登录 | 注册

本版积分规则


Licensed Copyright © 2016-2020 http://www.3dportal.cn/ All Rights Reserved 京 ICP备13008828号

小黑屋|手机版|Archiver|三维网 ( 京ICP备2023026364号-1 )

快速回复 返回顶部 返回列表