QQ登录

只需一步,快速开始

登录 | 注册 | 找回密码

三维网

 找回密码
 注册

QQ登录

只需一步,快速开始

展开

通知     

全站
6天前
查看: 4049|回复: 21
收起左侧

[练习题] 【進修級練習題36】

[复制链接]
发表于 2007-11-8 08:37:33 | 显示全部楼层 |阅读模式 来自: 中国台湾

马上注册,结识高手,享用更多资源,轻松玩转三维网社区。

您需要 登录 才可以下载或查看,没有帐号?注册

x
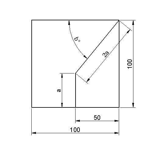
1. a 之長度為何?
, _: s* j% Q2 [- f4 o    (A) 39.135  (B) 39.315   (C) 39.531: f1 [! l' F3 w1 F, F
2. b 之角度值為何?
0 m' G; H5 w% N% f5 m    (A) 50.145°   (B) 50.451°   (C) 50.514°
Advance36.gif

评分

参与人数 1三维币 +10 收起 理由
2005llnn + 10 提供作图练习

查看全部评分

发表于 2007-11-8 09:20:14 | 显示全部楼层 来自: 中国江苏苏州
这个题目实际上是一个数学问题:
. g- ?* V% w/ ^( `: N7 m1.(2a)^2=50^2+(100-a)^2. b( d7 R7 b: [: B5 m1 M
2.cos(b)=50/2a/ c" H, Q! |' M5 l! Y4 Z- n
先求出a,然后求出b即可
发表于 2007-11-8 09:40:04 | 显示全部楼层 来自: 中国台湾
引用 Apollonius 圆即可画出来5 f7 z( J3 u8 c! d/ Q; f& {+ [
相似三角形亦可得解
, J. p0 [% D. E! i+ b' H9 a" [" p8 E# d9 E2 f" v
[ 本帖最后由 SunVei 于 2007-11-8 09:49 编辑 ]
JA0036.GIF

评分

参与人数 1三维币 +5 收起 理由
2005llnn + 5 很好

查看全部评分

发表于 2007-11-8 10:46:10 | 显示全部楼层 来自: 中国江苏镇江
同意2楼的说法,希望还其他更方便的方法.
; y' Q' ]) W9 n# U! ~+ X1B,2C
36.JPG

评分

参与人数 1三维币 +5 收起 理由
2005llnn + 5 很好

查看全部评分

发表于 2007-11-8 12:19:02 | 显示全部楼层 来自: 中国江苏常州
引用 Apollonius 圆即可画出来2 B" l) F' |. u5 f
相似三角形亦可得解/ q! E- i4 b( i! L% P% S; Z/ X1 |
4 G5 v. d9 `1 F- W3 a  {
[ 本帖最后由 SunVei 于 2007-11-8 09:49 编辑 ]% |! L; H% I0 p* J* A
% e  B( G6 b" S& v- u, q
我觉得还是这个比较好。符合CAD作图要求。, U: b- ?9 F9 P5 z, [( u
要是用计算就不需要CAD来画了
发表于 2007-11-8 17:54:38 | 显示全部楼层 来自: 中国江苏南京
这个题目我做出来了 进阶36.JPG 进阶36.rar (8.23 KB, 下载次数: 6)

评分

参与人数 1三维币 +5 收起 理由
2005llnn + 5 很好

查看全部评分

发表于 2007-11-9 12:43:45 | 显示全部楼层 来自: LAN
这个题目看来过于简单,不是进修级的,来个轨迹法的。
进修级练习题36(轨迹法).jpg

评分

参与人数 1三维币 +5 收起 理由
2005llnn + 5 很好

查看全部评分

发表于 2007-11-9 12:44:27 | 显示全部楼层 来自: LAN
做法很多,再来个缩放法的。
进修级练习题36(缩放法).jpg

评分

参与人数 1三维币 +5 收起 理由
2005llnn + 5 很好

查看全部评分

 楼主| 发表于 2007-11-13 09:10:46 | 显示全部楼层 来自: 中国台湾
1. 作100x100正方形#1 2. 過#1底邊之中點作垂直線AB=30 3. 以CIRCLE→cen=B r=60 →作圓#2 4. 以LINE →1'st=A 2'nd=D →作斜線AD 並與#2交於C 5. 連接BC斜線 6. 以OFFSET(t) →obj=BC t=D →作偏移線ED並與AB延長線交於E
Advance36.jpg

评分

参与人数 1三维币 +10 收起 理由
2005llnn + 10 技术分享

查看全部评分

发表于 2007-11-13 11:15:58 | 显示全部楼层 来自: 中国北京
我也试试 未命名.GIF

评分

参与人数 1三维币 +5 收起 理由
2005llnn + 5 很好

查看全部评分

发表于 2007-11-13 11:31:54 | 显示全部楼层 来自: 中国江苏苏州
试了一下,这样画行吗?
123.gif

评分

参与人数 1三维币 +5 收起 理由
2005llnn + 5 很好

查看全部评分

发表于 2008-7-15 10:52:20 | 显示全部楼层 来自: 中国山东东营
先做出直边为50,100的直角三角形,再从50边做任意a圆,a圆上象限点做2a圆,并依据斜边缩放。可解此题。
36.JPG

评分

参与人数 1三维币 +5 收起 理由
2005llnn + 5 很好

查看全部评分

发表于 2008-9-24 08:58:05 | 显示全部楼层 来自: 中国
答案:B、C/ M: O0 {: N' N3 F. Q/ j
36.JPG

评分

参与人数 1三维币 +5 收起 理由
2005llnn + 5 很好

查看全部评分

发表于 2008-11-2 18:41:14 | 显示全部楼层 来自: 中国江苏苏州
答案:1、B    2、C
jx36.jpg

评分

参与人数 1三维币 +5 收起 理由
2005llnn + 5 很好

查看全部评分

发表于 2008-11-10 20:51:36 | 显示全部楼层 来自: 中国浙江杭州
做了,進修級練習題36。
2008-11-10 20-50-05.png

评分

参与人数 1三维币 +5 收起 理由
2005llnn + 5 很好

查看全部评分

发表于 2009-3-9 09:04:57 | 显示全部楼层 来自: 中国台湾
发表于 2009-9-6 15:35:08 | 显示全部楼层 来自: 中国山东东营
交作业0 U1 \% v' D6 {
http://1
36.GIF

评分

参与人数 1三维币 +3 收起 理由
2005llnn + 3 参与鼓励

查看全部评分

发表于 2009-9-7 10:25:45 | 显示全部楼层 来自: 中国安徽马鞍山
交 作 业 了
1.JPG

评分

参与人数 1三维币 +3 收起 理由
2005llnn + 3 参与鼓励,以后贴图请大一些。

查看全部评分

发表于 2013-8-28 13:27:06 | 显示全部楼层 来自: 中国浙江温州
8-28 进修级练习题36
9 R3 C1 I1 l$ D缩放
8-28 进修级练习题36.jpg

评分

参与人数 1三维币 +3 收起 理由
2005llnn + 3 参与鼓励

查看全部评分

发表于 2013-8-31 00:26:01 | 显示全部楼层 来自: 中国浙江嘉兴
练习一下,多多指教
进修级练习题36.jpg

评分

参与人数 1三维币 +3 收起 理由
2005llnn + 3 参与鼓励

查看全部评分

发表于 2014-3-13 18:04:00 | 显示全部楼层 来自: 中国四川成都
进修361 [3 t" A$ X- f! |4 C+ q
进修36.jpg 9 L0 u0 u" o7 {$ e& T

评分

参与人数 1三维币 +3 收起 理由
2005llnn + 3 参与鼓励

查看全部评分

发表于 2014-4-26 16:56:31 | 显示全部楼层 来自: 中国陕西西安
36.png

评分

参与人数 1三维币 +3 收起 理由
2005llnn + 3 参与鼓励

查看全部评分

发表回复
您需要登录后才可以回帖 登录 | 注册

本版积分规则


Licensed Copyright © 2016-2020 http://www.3dportal.cn/ All Rights Reserved 京 ICP备13008828号

小黑屋|手机版|Archiver|三维网 ( 京ICP备2023026364号-1 )

快速回复 返回顶部 返回列表