QQ登录

只需一步,快速开始

登录 | 注册 | 找回密码

三维网

 找回密码
 注册

QQ登录

只需一步,快速开始

展开

通知     

全站
6天前
查看: 5125|回复: 28
收起左侧

[练习题] 【進修級練習題37】

[复制链接]
发表于 2007-11-15 08:35:39 | 显示全部楼层 |阅读模式 来自: 中国台湾

马上注册,结识高手,享用更多资源,轻松玩转三维网社区。

您需要 登录 才可以下载或查看,没有帐号?注册

x
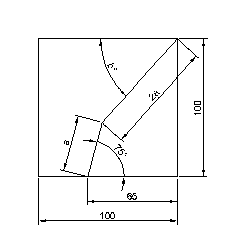
1. a 之長度為何?0 T8 T# T( H. I5 m8 m4 u9 h
    (A) 40.7498   (B) 40.7894   (C) 40.7984
8 z7 ]/ {5 }& Q9 s2. b 之角度值為何?3 [# v, N# @% p0 C' A" J2 A+ H
    (A) 48.076°   (B) 48.607°   (C) 48.706°
Advance37.gif

评分

参与人数 1三维币 +10 收起 理由
2005llnn + 10 提供作图练习

查看全部评分

发表于 2007-11-15 11:39:07 | 显示全部楼层 来自: 中国北京
我再试一下吧,两个都选A: ~3 B% r: p2 {4 v5 H: R
chi.GIF

评分

参与人数 1三维币 +5 收起 理由
2005llnn + 5 很好

查看全部评分

发表于 2007-11-15 12:57:30 | 显示全部楼层 来自: 中国广东韶关
小意思
) i$ G9 J6 v2 g( O 未命名.JPG

评分

参与人数 1三维币 +5 收起 理由
2005llnn + 5 很好

查看全部评分

发表于 2007-11-15 13:13:06 | 显示全部楼层 来自: 中国河南安阳
1.png

评分

参与人数 1三维币 +5 收起 理由
2005llnn + 5 很好

查看全部评分

发表于 2007-11-15 13:29:15 | 显示全部楼层 来自: 中国江苏苏州
老师终于出了个简单的!
Drawing2.jpg

评分

参与人数 1三维币 +5 收起 理由
2005llnn + 5 很好

查看全部评分

发表于 2007-11-15 14:10:22 | 显示全部楼层 来自: 中国浙江绍兴
练习,重在参与!!!
练习.JPG

评分

参与人数 1三维币 +5 收起 理由
2005llnn + 5 很好

查看全部评分

发表于 2007-11-15 14:13:17 | 显示全部楼层 来自: 中国江苏苏州

回复 1# 的帖子

和上次那体差不多,脑子多转一下就行了,呵呵。; x4 ~5 [4 c" Q! q1 X, A+ ~

4 l0 g" \0 v; c+ r; U[ 本帖最后由 kszldzg 于 2007-11-15 14:19 编辑 ]
456.gif

评分

参与人数 1三维币 +5 收起 理由
2005llnn + 5 很好

查看全部评分

发表于 2007-11-16 12:33:34 | 显示全部楼层 来自: LAN
与上题一样,太简单了。
进修级练习题37(轨迹法).jpg

评分

参与人数 1三维币 +5 收起 理由
2005llnn + 5 很好

查看全部评分

发表于 2007-11-17 10:10:12 | 显示全部楼层 来自: 中国福建三明
我的作业
進修級練習題37.gif

评分

参与人数 1三维币 +5 收起 理由
2005llnn + 5 很好

查看全部评分

发表于 2007-11-17 21:28:57 | 显示全部楼层 来自: 中国广东广州
重在参与,练习一下
1.JPG

评分

参与人数 1三维币 +5 收起 理由
2005llnn + 5 很好

查看全部评分

发表于 2007-11-17 22:14:11 | 显示全部楼层 来自: 中国湖南长沙
呵呵,对我来说还是比较复杂的东西,多学习学习!
发表于 2007-11-18 19:30:14 | 显示全部楼层 来自: 中国广西南宁
研究了好久...爽!
 楼主| 发表于 2007-11-21 09:22:05 | 显示全部楼层 来自: 中国台湾
1. 作100x100正方形#15 B# J# ]0 u" i& Q! g- g
2. 過#1底邊A作75°斜線AB=309 _: ]7 @  n% V9 ?
3. 以LINE →1'st=A  2'nd=D →作斜線AD
  E0 C6 X+ s8 s3 F5 ?* Y& @1 k* d4. 以CIRCLE→cen=B  r=60 →作圓#2 並與AD交於C
+ N* M0 J/ _& x; L, x/ J# {5. 連接BC斜線  }6 }! B4 ]9 s! }
5. 以OFFSET(t) →obj=BC  t=D →作偏移線ED並與AB延長線交於E
Advance37.jpg

评分

参与人数 1三维币 +10 收起 理由
2005llnn + 10 技术分享

查看全部评分

发表于 2008-7-15 11:19:32 | 显示全部楼层 来自: 中国山东东营
依然是上题相同的解法。
37.JPG

评分

参与人数 1三维币 +5 收起 理由
2005llnn + 5 很好

查看全部评分

发表于 2008-7-15 15:20:50 | 显示全部楼层 来自: 中国广东深圳
练习下。
06.jpg

评分

参与人数 1三维币 +5 收起 理由
2005llnn + 5 很好

查看全部评分

发表于 2008-9-24 08:53:55 | 显示全部楼层 来自: 中国
答案:A、A, d. m$ C& e7 e
37.JPG

评分

参与人数 1三维币 +5 收起 理由
2005llnn + 5 很好

查看全部评分

发表于 2008-9-24 09:52:29 | 显示全部楼层 来自: 中国湖北武汉
第一次试做
未命名.JPG

评分

参与人数 1三维币 +5 收起 理由
2005llnn + 5 很好

查看全部评分

发表于 2008-9-24 13:32:53 | 显示全部楼层 来自: 中国福建厦门
练习练习啦!
未命名2.jpg

评分

参与人数 1三维币 +5 收起 理由
2005llnn + 5 很好

查看全部评分

发表于 2008-11-3 15:26:34 | 显示全部楼层 来自: 中国江苏苏州
练习一下,很有收获。
jx37.JPG

评分

参与人数 1三维币 +5 收起 理由
2005llnn + 5 很好

查看全部评分

发表于 2008-11-3 19:11:50 | 显示全部楼层 来自: 中国河南新乡
还好了。偶也弄出来了
【進修級練習題37】.jpg

评分

参与人数 1三维币 +5 收起 理由
2005llnn + 5 很好

查看全部评分

发表于 2008-11-10 20:40:46 | 显示全部楼层 来自: 中国浙江杭州
做题练习。
2008-11-10 20-39-21.png

评分

参与人数 1三维币 +5 收起 理由
2005llnn + 5 很好

查看全部评分

发表于 2009-3-9 09:13:20 | 显示全部楼层 来自: 中国台湾
发表于 2009-9-6 15:50:51 | 显示全部楼层 来自: 中国山东东营
交作业9 v% G) Y) f  r- t" U* O3 s$ }
http://1
37.GIF

评分

参与人数 1三维币 +3 收起 理由
2005llnn + 3 参与鼓励

查看全部评分

发表于 2009-9-8 11:10:07 | 显示全部楼层 来自: 中国安徽马鞍山
交作 业 了
12.JPG

评分

参与人数 1三维币 +3 收起 理由
2005llnn + 3 参与鼓励

查看全部评分

发表于 2013-8-29 07:26:13 | 显示全部楼层 来自: 中国浙江温州
8-29 进修级练习题37
- z, ]& F( S9 S4 t缩放
8-29 进修级练习题37.jpg

评分

参与人数 1三维币 +3 收起 理由
2005llnn + 3 参与鼓励

查看全部评分

发表回复
您需要登录后才可以回帖 登录 | 注册

本版积分规则


Licensed Copyright © 2016-2020 http://www.3dportal.cn/ All Rights Reserved 京 ICP备13008828号

小黑屋|手机版|Archiver|三维网 ( 京ICP备2023026364号-1 )

快速回复 返回顶部 返回列表