QQ登录

只需一步,快速开始

登录 | 注册 | 找回密码

三维网

 找回密码
 注册

QQ登录

只需一步,快速开始

展开

通知     

全站
6天前
查看: 2131|回复: 5
收起左侧

[讨论] 关于solidworks2008新增的三维标注的讨论

[复制链接]
发表于 2008-11-26 18:58:53 | 显示全部楼层 |阅读模式 来自: 中国陕西西安

马上注册,结识高手,享用更多资源,轻松玩转三维网社区。

您需要 登录 才可以下载或查看,没有帐号?注册

x
关于solidworks2008新增的三维标注的讨论
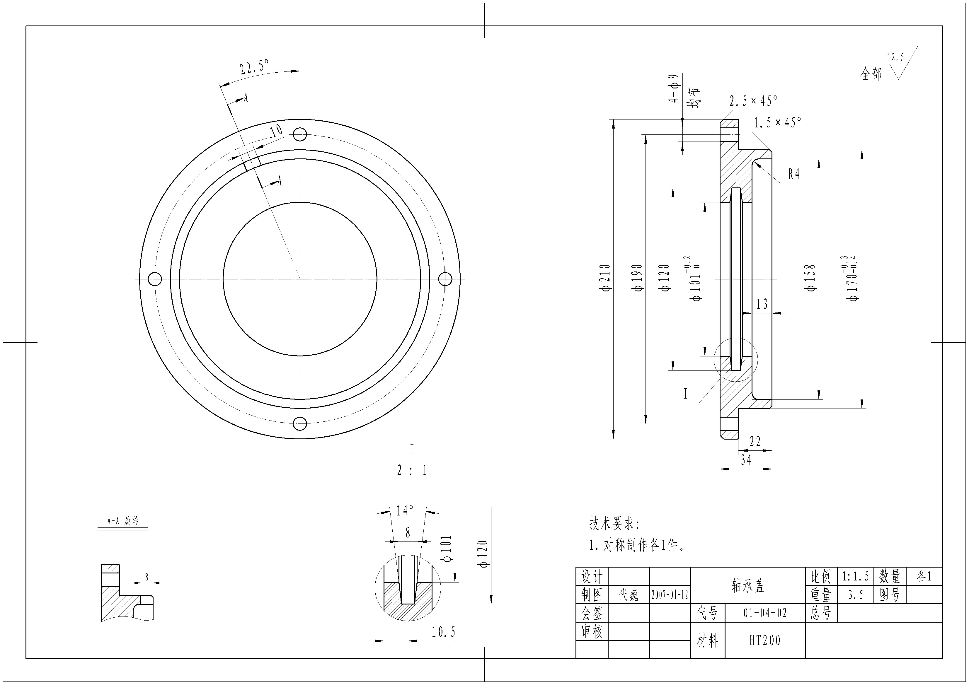
3 V7 ?9 G! ^6 I& G8 T( \3 G8 B如何使用solidworks2008新增的三维标注功能标注图1所示尺寸?
% @) \* W# V; }2 u9 S9 ]源文件包含本人标注的部分尺寸,请高手把其余尺寸补全.
6 C7 U; i" S9 v2 H2 v' k' S, j注:具体尺寸公差可以忽略。

图1(工程图)

图1(工程图)

01-04-02 轴承盖.rar

69.89 KB, 下载次数: 18

原solidworks2008原文件

 楼主| 发表于 2008-11-26 19:02:35 | 显示全部楼层 来自: 中国陕西西安
请问高手视图A-A的角度尺寸22.5和视图Ⅰ的角度尺寸14如何标注?
发表于 2008-11-27 21:00:26 | 显示全部楼层 来自: 中国江苏苏州
工程团没有问题的,都可以标注的。' m9 r1 @, z, Q; D
2008的三维标注还没有研究过
! P% u+ A# |) [0 E, c8 `5 i, Q
. G. ^. K1 I" X; \[ 本帖最后由 bugkillbug 于 2008-11-27 21:02 编辑 ]
发表于 2008-11-28 23:49:44 | 显示全部楼层 来自: 中国广东深圳
2008的三维标注
4 }: n7 `1 P0 O/ w- _1 U; v# r感觉没什么用   还更麻烦
! w  D" a: X( G- J  }/ j, z7 m至少我们这边是这样
 楼主| 发表于 2008-11-29 22:24:37 | 显示全部楼层 来自: 中国陕西西安
用solidworks2008 Dimxpert功能标注的图形,请高手把其余标注补全  k) F, j' [) t7 z- X5 n
可以用于后期的工程图 表示零部件的尺寸和精度要求& f, g% o1 f! r2 ]5 |, \( V
- J; Y2 W+ e' O/ m
[ 本帖最后由 dwsxsl 于 2008-11-29 22:27 编辑 ]

用solidworks2008 Dimxpert功能标注的图形

用solidworks2008 Dimxpert功能标注的图形
 楼主| 发表于 2008-12-6 19:27:14 | 显示全部楼层 来自: 中国陕西西安
问题的关键就是如何进行基于参考平面的尺寸标注。
发表回复
您需要登录后才可以回帖 登录 | 注册

本版积分规则

Licensed Copyright © 2016-2020 http://www.3dportal.cn/ All Rights Reserved 京 ICP备13008828号

小黑屋|手机版|Archiver|三维网 ( 京ICP备2023026364号-1 )

快速回复 返回顶部 返回列表