QQ登录

只需一步,快速开始

登录 | 注册 | 找回密码

三维网

 找回密码
 注册

QQ登录

只需一步,快速开始

展开

通知     

查看: 4452|回复: 31
收起左侧

[求助] 这个东西好难画,高手来画下看看!谢谢!

[复制链接]
发表于 2008-12-3 15:45:19 | 显示全部楼层 |阅读模式 来自: 中国浙江宁波

马上注册,结识高手,享用更多资源,轻松玩转三维网社区。

您需要 登录 才可以下载或查看,没有帐号?注册

x
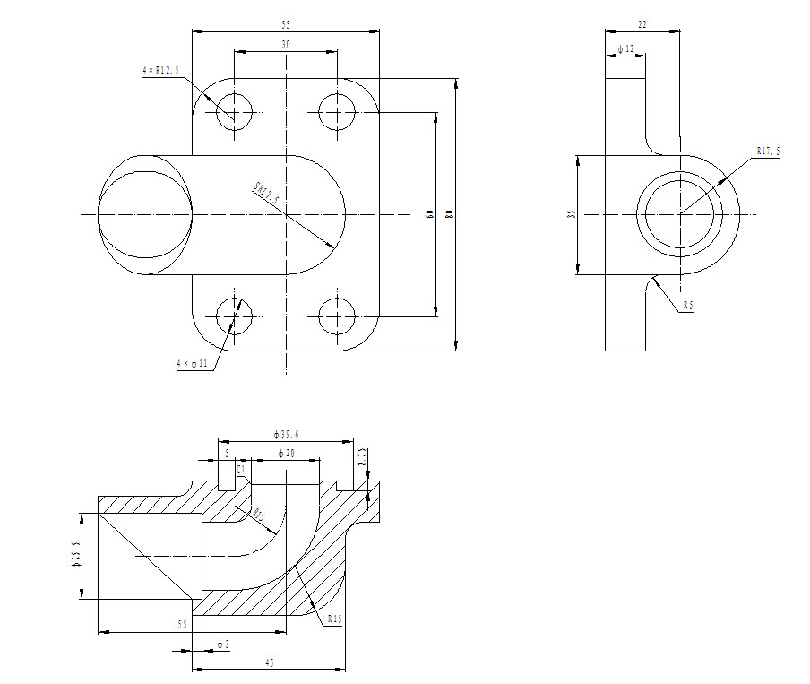
之前的那个问题谢谢各位论坛的朋友给我解答,现在有碰到个复杂的。2 |: C- J+ s6 Z9 X
下图的法兰看下怎么画,高手们来给偶画下造型,偶画的晕死了。眼睛都看花了,下图是偶画的2D图。
7 T8 Y, {' T0 _) k9 B0 x% v顺便问下各位大侠这个该怎么做才省成本啊?
5 Q, X% u, U2 D% e  l
( p: F! F4 f# e6 H+ t那个Φ3的尺寸是3,不好意思标错了7 F' h" S4 R- v0 G
我把截取的图片传上来,看不清楚的可以看这个,尺寸都是齐全的,谢谢各位1 L5 _1 i4 m  r& G
发错了。。。压缩了上。。。# }: R! r- ~. ^

7 d8 R( l; w8 v5 o[ 本帖最后由 bingshan 于 2008-12-3 17:07 编辑 ]
奇怪的法兰.jpg
奇怪的法兰.jpg

奇怪的法兰.rar

48.68 KB, 下载次数: 26

发表于 2008-12-3 16:10:32 | 显示全部楼层 来自: 中国北京
这张图我看着怎么那么别扭呢????3 M% }9 b" s& ?4 y
4 J& Q( a) U0 J. C# g0 ~* |
[ 本帖最后由 dayGhost 于 2008-12-3 16:41 编辑 ]
 楼主| 发表于 2008-12-3 16:40:21 | 显示全部楼层 来自: 中国浙江宁波
谢谢楼上这位热心的朋友,非常之感谢
4 a" b6 A9 J! B! p8 w- M. q如有什么问题和需要请和我说
发表于 2008-12-3 16:43:03 | 显示全部楼层 来自: 中国浙江衢州
真的要找高手啊  我看了半天 没看出什么名堂来
发表于 2008-12-3 16:45:38 | 显示全部楼层 来自: 中国浙江衢州
这图是原图还是你画的 三视图的关系不明确啊
 楼主| 发表于 2008-12-3 16:50:25 | 显示全部楼层 来自: 中国浙江宁波
这个是原图(蓝图),我照原来的样子画好截图上传的!
发表于 2008-12-3 16:52:19 | 显示全部楼层 来自: 中国浙江衢州
那这个图就太有压力 我正在试呢
发表于 2008-12-3 16:53:45 | 显示全部楼层 来自: 中国北京
1、俯视图(1/4剖)中c1边上的尺寸5的特征是什么样子的槽?进深多少?;25.5直径  旁边的特征,左视图看不到3 E( s; B6 O0 [; q. M( ^) Q* U
2、主视图椭圆内部圆特征尺寸?左视图上看起来似乎有矛盾- O, W, i1 A; W$ b: X* ]; f6 j& V0 I! G. R0 R
3、左视图中圆孔,在俯视图看起来似乎位置尺寸不对应?(目测)5 u$ p+ X: h' S" Y: H6 s

& u! r4 V2 K# W. ~3 Z' p关于加工:
; I* W. j: V3 o2 f8 b猜测该零件应为水管接头,很久不碰水管了,记得小时候家里厂子做这种东西貌似是翻砂,但是没这个难。
& c( j5 V9 ^4 d1 c3 i$ i# r感觉这个用蜡模做,应该能做出来
) H) C) }" d4 c% ^  `; ]( J- m/ @5 Z* k6 X! T1 m
还是请高手解答吧
# o) x$ p2 ]+ k! P, }: G, r+ a) R% F0 |
7 ^6 G% S, U9 a  ?" G" a" B, l
不好意思,刚才喝了点酒,头有点晕,现在看明白了,正在做。  M; O) }5 e) `, r
呵呵呵# k2 }1 h, b! F+ W5 ], {) c8 ]% L
对不住了楼主" R$ V' c- N+ m1 y! J$ g
1 E( a' f0 z, o  \
8 X$ w% V1 E; X3 c) n" ^( t, b) g
顺便问一下,主视图中,底盘的尺寸多少,看不太清楚。。。。。  V- `! a/ v6 e2 k# C! ^

- u" s, B7 C6 V6 ]# v3 R+ @. Y楼主现在就要么??今天中午喝酒了。。。。。
' E9 [, r2 k6 ]; J* C
! ?* g9 B5 W& d/ N% Q; M. v[ 本帖最后由 dayGhost 于 2008-12-3 17:10 编辑 ]
发表于 2008-12-3 17:01:08 | 显示全部楼层 来自: 中国浙江衢州
槽是环行槽 深2.75  应该是放密封圈的 ( U/ A7 l5 p5 {0 o
其它的我也看不懂
 楼主| 发表于 2008-12-3 17:01:23 | 显示全部楼层 来自: 中国浙江宁波
原帖由 dayGhost 于 2008-12-3 16:53 发表 http://www.3dportal.cn/discuz/images/common/back.gif1 r* ?# J9 n' x/ w  D3 @+ Z
1、俯视图(1/4剖)中c1边上的尺寸5的特征是什么样子的槽?进深多少?;25.5直径  旁边的特征,左视图看不到$ `3 H; ~! G( S+ z' `5 J
2、主视图椭圆内部正圆特征尺寸?左视图上看起来似乎有矛盾) X5 B1 K9 n) ]& N% J, Y, l+ h
3、左视图中圆孔,在俯视图看起来似乎位置尺 ...
. n3 e9 u# N" }% b* V$ ~& S* `' ~2 w
回复dayGhost朋友:
! N: A6 D. x6 x1.俯视图是“半剖试图”槽的深度上面有是2.75。8 b0 D: g" Z" T( F+ x( ~  Y/ h' T
2.主视图看就是这个样子的,我之前好像在论坛看到过这样的结构就是过渡的一个面(中间剖开好像就是这个样子的,我不会画)
' `0 b0 ~3 X4 A0 V7 N) I3位置是对应的,没有问题。  ]5 e& M! ^/ y3 E2 j
还望有经验的朋友帮忙看下,不胜感激!
# m" o, F, P! W1 u7 G9 }+ F( \/ ]图纸附件已经上传。在一楼。# ~- U! [$ W/ Y: G6 x& z$ w

5 @& d: J) O8 b9 z" ]: v% {4 i[ 本帖最后由 bingshan 于 2008-12-3 17:08 编辑 ]
发表于 2008-12-3 17:03:06 | 显示全部楼层 来自: 中国浙江衢州
高手快画啊 很期待啊
发表于 2008-12-3 17:38:38 | 显示全部楼层 来自: 中国江苏苏州
这张图右边剖析不正确,请核对后再发上来。
 楼主| 发表于 2008-12-3 17:43:39 | 显示全部楼层 来自: 中国浙江宁波
原帖由 zf-mold65904129 于 2008-12-3 17:39 发表 http://www.3dportal.cn/discuz/images/common/back.gif5 [7 Z* i' J6 K; @! }* t0 q
这张图右边剖析不正确,请核对后再发上来。
9 e0 |2 |, {4 w+ k, ]+ w! `
我看着也好像不对,它蓝图就是这样的应该35的圆是画整个圆的才对哦。
发表于 2008-12-3 18:41:46 | 显示全部楼层 来自: 中国江苏苏州
大至如下图:
i法兰.jpg

评分

参与人数 1三维币 +2 收起 理由
艾飞 + 2 参与讨论

查看全部评分

发表于 2008-12-3 18:44:47 | 显示全部楼层 来自: 中国江苏苏州
再来一张,
i法兰2.jpg
 楼主| 发表于 2008-12-3 21:44:44 | 显示全部楼层 来自: 中国浙江宁波
楼上的朋友可以穿上原文件吗?我也画了张不是很像。。。那个斜角的面怎么画啊?
2008-12-3 21-44-24.jpg
发表于 2008-12-3 23:50:51 | 显示全部楼层 来自: 中国河北张家口

回复 17# bingshan 的帖子

呵呵,你的斜角画翻了。3 d" E/ F7 K8 J4 b4 l2 P. T
另外,图纸尺寸是有毛病,有了SR17.5的球,轮廓线上的R15就是多余的了。效果如图01
; \7 v, A& @: _: @* X图02是正确的。
+ U1 J4 C- p+ S8 R我来上传源文件。, f- f. k9 O+ B9 B! J7 T
5 |9 u) s+ O0 ]. N% a
[ 本帖最后由 6089250 于 2008-12-3 23:56 编辑 ]
01.jpg
02.jpg

零件1.rar

143.24 KB, 下载次数: 6

评分

参与人数 1三维币 +2 收起 理由
艾飞 + 2 参与讨论

查看全部评分

发表于 2008-12-4 00:41:26 | 显示全部楼层 来自: 中国广东深圳
剖视图投影有点小问题,但不影响看图
, @# s! h( M" J2 y+ _( o
9 _0 Z3 d8 k1 A, F$ E6 n[ 本帖最后由 xuhongejo 于 2008-12-4 00:47 编辑 ]
119.jpg
118.jpg
117.jpg
116.jpg
115.jpg

评分

参与人数 1三维币 +2 收起 理由
艾飞 + 2 参与讨论

查看全部评分

发表于 2008-12-4 08:11:15 | 显示全部楼层 来自: 中国浙江衢州
楼上的朋友   发个源文件呗
发表于 2008-12-4 08:19:02 | 显示全部楼层 来自: 中国江苏扬州
这个是不是国外的图纸啊
发表于 2008-12-4 10:33:49 | 显示全部楼层 来自: 中国福建厦门
未命名.gif - m* y3 u. ]+ o9 \6 b
SW2008SP4% S. b  H5 x+ T4 F7 V9 R  d

2 m! A$ [4 P$ ]& Z+ ^& T$ ^5 Q[ 本帖最后由 yjf8828 于 2008-12-4 10:40 编辑 ]

零件1.rar

260.78 KB, 下载次数: 24

工程图.rar

126.14 KB, 下载次数: 17

评分

参与人数 1三维币 +2 收起 理由
艾飞 + 2 参与讨论

查看全部评分

发表于 2008-12-4 11:14:41 | 显示全部楼层 来自: 中国浙江衢州
在这先谢过了
发表于 2008-12-4 11:18:12 | 显示全部楼层 来自: 中国山东聊城
渲染的挺好的
发表于 2008-12-4 11:21:02 | 显示全部楼层 来自: 中国山东烟台
我用的07,打不开08,请问一下左边的斜孔是如何做出来的?谢谢
发表于 2008-12-4 11:36:40 | 显示全部楼层 来自: 中国福建厦门

回复 23# 寂静天花板 的帖子

谢谢提醒,下回注意
发表回复
您需要登录后才可以回帖 登录 | 注册

本版积分规则


Licensed Copyright © 2016-2020 http://www.3dportal.cn/ All Rights Reserved 京 ICP备13008828号

小黑屋|手机版|Archiver|三维网 ( 京ICP备2023026364号-1 )

快速回复 返回顶部 返回列表