QQ登录

只需一步,快速开始

登录 | 注册 | 找回密码

三维网

 找回密码
 注册

QQ登录

只需一步,快速开始

展开

通知     

查看: 8554|回复: 53
收起左侧

[已解决] 内花键如何加工

[复制链接]
发表于 2009-1-13 09:31:31 | 显示全部楼层 |阅读模式 来自: 中国江苏常州

马上注册,结识高手,享用更多资源,轻松玩转三维网社区。

您需要 登录 才可以下载或查看,没有帐号?注册

x
我有一根轴直径160,长度700,要在一端加工矩形直径90内花键,深度80,请教前辈如何加工,有人建议用插床,也人建议用电脉冲,可是,外协厂都说工件太长,机床的高度不够,请教前辈们,这个矩形内花键如何加工,我在此谢谢了!!!+ \+ U, f) |& |& z" N

2 u8 X2 g8 H8 e/ ~4 a! Z[ 本帖最后由 xl.zhuo 于 2009-3-11 14:00 编辑 ]
发表于 2009-1-13 09:56:45 | 显示全部楼层 来自: 中国湖北宜昌
大批量生产在拉床上进行,精度高,质量好.如果是单件,告诉你一个绝招,先划线,粗加工在车床上完成,车头不动,手动中拖板插削.精加工手工配锉.其质量就看钳工的个人技术了.
发表于 2009-1-13 10:06:24 | 显示全部楼层 来自: 中国湖北宜昌
该轴在设计上有点问题,一般来说,内花键属于易损件,应当与轴设计成为组合件,这样可以在内花键磨损后,整轴不至于报废.而且提高了整个零件的加工工艺性,降低了制造和维修成本.
 楼主| 发表于 2009-1-13 10:22:57 | 显示全部楼层 来自: 中国江苏常州
量不是很大,就二十几件,结构所限,没办法,只能采用这样的结构。
发表于 2009-1-13 22:54:50 | 显示全部楼层 来自: 中国四川成都
做一个拉刀要近万,不划算,可以考虑用电火花线切割加工。
发表于 2009-1-14 13:50:49 | 显示全部楼层 来自: 中国台湾
建議您用撒差床加工
发表于 2009-1-14 17:06:46 | 显示全部楼层 来自: 中国江苏常州
这样的设计本身有问题,从成本、工艺各方面考虑都该采用组合式的
发表于 2009-1-14 18:09:16 | 显示全部楼层 来自: 中国重庆

回复 4# syxplc 的帖子

线切割是比较简单,经济的方法!
 楼主| 发表于 2009-1-15 09:05:45 | 显示全部楼层 来自: 中国江苏常州

求教这个内花键如何加工

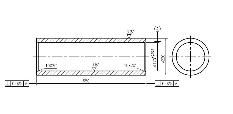
我有一根轴直径160,长度700,要在一端加工矩形内花键直径90,深度80,请教前辈如何加工,有人建议用插床,也有人建议用电脉冲,有人建议用拉床,可是,外协厂都说工件太长,机床的高度不够,请教前辈们,这个矩形内花键如何加工,哪里可以加工,我在此谢谢了!!!图纸见附图。
内孔表面淬火.jpg
 楼主| 发表于 2009-1-15 09:08:48 | 显示全部楼层 来自: 中国江苏常州
不好意思,图纸发错了。我重发
活塞杆.jpg
发表于 2009-1-15 12:06:19 | 显示全部楼层 来自: 中国湖北荆州
用插床加工
发表于 2009-1-15 15:01:08 | 显示全部楼层 来自: 中国广东深圳
用车床可以拉出来
发表于 2009-1-15 15:23:13 | 显示全部楼层 来自: 中国浙江宁波
在龙门刨上用成形刨刀加工。
发表于 2009-1-15 17:05:55 | 显示全部楼层 来自: 中国吉林吉林市
在卧车床上 做工装分度 车型刀插
发表于 2009-1-15 19:27:54 | 显示全部楼层 来自: 中国山东青岛
允许加工退刀槽的话,用分度工装刨床加工。
: ^5 H9 }9 n) x: K4 ?. a" o- n# m刚才没看清尺寸。内孔直径95 花键大径94。不必退刀槽了。直接键槽刨刀加工。/ a( N. M( R8 V: q; x9 T
( R) y, ^. z3 S" i- l6 G6 w
[ 本帖最后由 wxzc 于 2009-1-15 21:06 编辑 ]
发表于 2009-1-15 20:28:15 | 显示全部楼层 来自: 中国北京
最好是改结构!硬是要加工的话,只有用刨床加工可行性较高。
发表于 2009-1-15 23:10:40 | 显示全部楼层 来自: 中国山西太原
用刨床加工。先粗刨,然后用全形量具检测,再精刨成。
发表于 2009-1-16 00:25:40 | 显示全部楼层 来自: 中国福建宁德
俺们车间都是用刨床加工的,不过精度不行,设备坏了,偶尔做一个应急用!
发表于 2009-1-18 11:36:09 | 显示全部楼层 来自: 中国黑龙江佳木斯
改焊接结构吧,或上刨床或加工长度合适的插床.
发表于 2009-1-18 11:44:41 | 显示全部楼层 来自: 中国陕西汉中
在铣床上,加分度头加工。
发表于 2009-1-18 11:46:46 | 显示全部楼层 来自: 中国陕西汉中
考虑线切割,加工精度较好。
发表于 2009-1-18 20:18:40 | 显示全部楼层 来自: 中国北京
那就在加工中心上来加工,不过使用加工中心成本稍高,但是精度很好
发表于 2009-1-18 20:32:23 | 显示全部楼层 来自: 中国陕西宝鸡
应该考虑考虑用拉床!
 楼主| 发表于 2009-1-19 09:16:25 | 显示全部楼层 来自: 中国江苏常州
铣床如何加工?不明白,负载比较大,加工精度要求比较高,实在不行只有改方案了。
发表于 2009-1-19 11:06:35 | 显示全部楼层 来自: 中国江苏常州
1,从产品本身而言的确较难加工呀!不过也可以用插床完成(精度差,效率低).9 v, Q; Z; M: z+ e  C. D* I
2,要是自已装配使用的可以考虑分体加工,先拉花键再焊接.
发表回复
您需要登录后才可以回帖 登录 | 注册

本版积分规则


Licensed Copyright © 2016-2020 http://www.3dportal.cn/ All Rights Reserved 京 ICP备13008828号

小黑屋|手机版|Archiver|三维网 ( 京ICP备2023026364号-1 )

快速回复 返回顶部 返回列表