QQ登录

只需一步,快速开始

登录 | 注册 | 找回密码

三维网

 找回密码
 注册

QQ登录

只需一步,快速开始

展开

通知     

查看: 1826|回复: 2
收起左侧

[讨论] 机床主轴箱设计问题

[复制链接]
发表于 2009-2-20 09:48:21 | 显示全部楼层 |阅读模式 来自: 中国江西南昌

马上注册,结识高手,享用更多资源,轻松玩转三维网社区。

您需要 登录 才可以下载或查看,没有帐号?注册

x
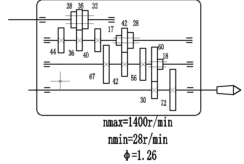
设计条件:. w" L; p' X' o% H( A
车床最大加工直径500mm,主轴最低转速28r/min,转速级数为18,公比为1.26,主电机功率为5.5kW
7 X% }. e. v2 |, B最后计算得到齿轮模数为3.5mm,5mm,5mm.算得的齿轮直径是大了嘛?有360mm0 `, W+ x$ V, u' V
& e! T# E4 b" A% F# M
[ 本帖最后由 yangjun888 于 2009-2-20 16:08 编辑 ]
传动系统图.jpg
转速图.jpg
发表于 2009-2-20 11:18:04 | 显示全部楼层 来自: 中国湖北武汉
你只想和有钱人讨论吗?
发表于 2009-3-14 17:05:36 | 显示全部楼层 来自: 中国河南郑州
我的毕业设计也是这个题目,等我做完了,咱俩讨论讨论?
发表回复
您需要登录后才可以回帖 登录 | 注册

本版积分规则


Licensed Copyright © 2016-2020 http://www.3dportal.cn/ All Rights Reserved 京 ICP备13008828号

小黑屋|手机版|Archiver|三维网 ( 京ICP备2023026364号-1 )

快速回复 返回顶部 返回列表