QQ登录

只需一步,快速开始

登录 | 注册 | 找回密码

三维网

 找回密码
 注册

QQ登录

只需一步,快速开始

展开

通知     

全站
4天前
查看: 5373|回复: 4
收起左侧

[求助] CAD2004如何画渐开线齿轮的平面图

[复制链接]
发表于 2009-3-4 12:50:57 | 显示全部楼层 |阅读模式 来自: 中国北京

马上注册,结识高手,享用更多资源,轻松玩转三维网社区。

您需要 登录 才可以下载或查看,没有帐号?注册

x
CAD2004如何画渐开线齿轮的平面图啊,各位大虾请指教!任意齿数模数的,压力角20度  F9 w$ H7 L8 {$ O) y' O4 N

3 K: U+ L1 W) M" |: ]0 x[ 本帖最后由 2005llnn 于 2009-3-4 13:14 编辑 ]
发表于 2009-3-4 13:41:11 | 显示全部楼层 来自: 中国浙江湖州
     下一个 贱人工具箱  就ok了

评分

参与人数 1三维币 +3 收起 理由
wang2003 + 3 应助

查看全部评分

发表于 2009-3-4 14:53:35 | 显示全部楼层 来自: 中国辽宁沈阳
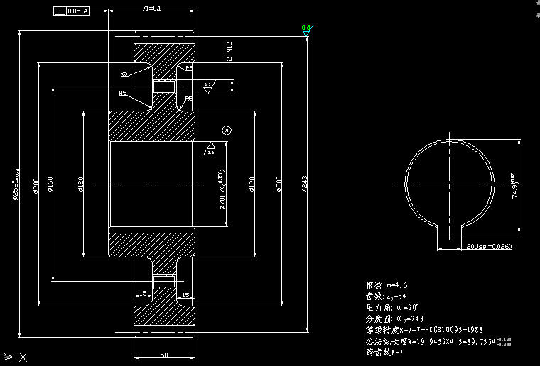
楼主,当遇到CAD很难完成的曲线时不必要去追根抛低,机械制图是要求如何将零件表达清楚即可,, [4 A4 k! s$ H
就ACAD本身要去画渐开线,累死
4 s1 s9 J  j/ _$ x+ L如果你给齿轮一个全剖视图,然后再技术要求里说明齿轮的具体参数就行,* W, Y9 v. `( O, `! \) Q
齿轮厂家就可以根据你提供的参数和必要尺寸加工出来
5 R$ B8 m$ A1 a) O1 V! c8 T6 a! Z& {- ?如下,给你一张齿轮ACAD图作下参考
Snap1.jpg

评分

参与人数 1三维币 +5 收起 理由
wang2003 + 5 应助

查看全部评分

发表于 2009-3-4 15:08:53 | 显示全部楼层 来自: 中国北京

记得以前用caxa画过齿轮,效果不错

直接输入参数,然后就会自己生成齿轮平面图,,当时是需要用线切割切一个齿轮,用caxa画好,转到cad里的。
发表于 2009-3-4 15:15:54 | 显示全部楼层 来自: 中国辽宁沈阳
CAD和CAXA电子图板相互可以转换,这点方便我们对机械的设计,CAXA设计单个零件或者装配组件,CAD用来设计大型工程项目,大型非标系统非常好用,CAXA不愧国人开发适合国人使用的软件。
发表回复
您需要登录后才可以回帖 登录 | 注册

本版积分规则

Licensed Copyright © 2016-2020 http://www.3dportal.cn/ All Rights Reserved 京 ICP备13008828号

小黑屋|手机版|Archiver|三维网 ( 京ICP备2023026364号-1 )

快速回复 返回顶部 返回列表