QQ登录

只需一步,快速开始

登录 | 注册 | 找回密码

三维网

 找回密码
 注册

QQ登录

只需一步,快速开始

展开

通知     

全站
2天前
查看: 3581|回复: 4
收起左侧

[讨论] OUTCAD画图前的准备工作

[复制链接]
发表于 2009-8-11 10:07:28 | 显示全部楼层 |阅读模式 来自: 中国江苏南通

马上注册,结识高手,享用更多资源,轻松玩转三维网社区。

您需要 登录 才可以下载或查看,没有帐号?注册

x
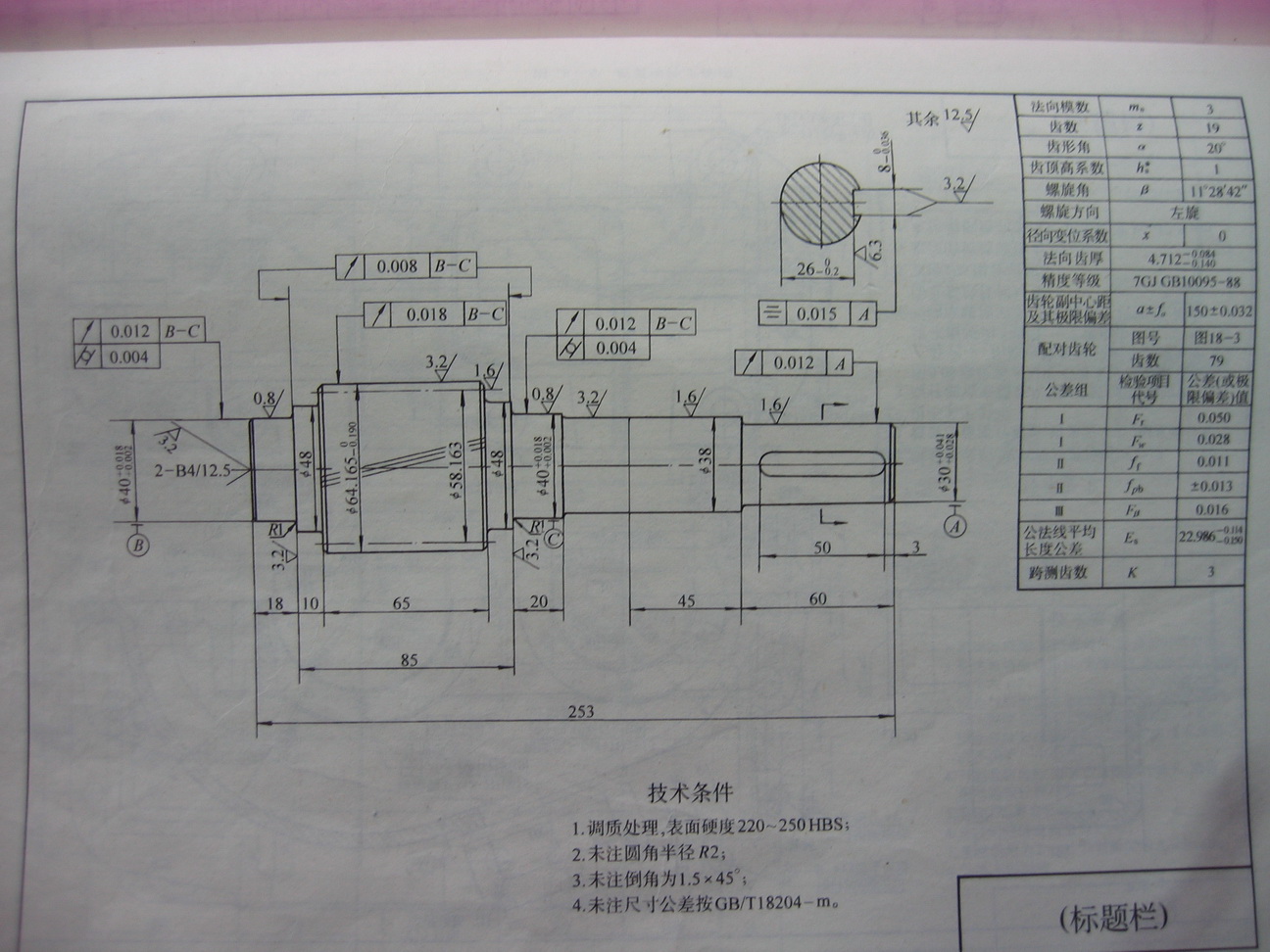
本人想问大家在用OUTCAD软件画图前做哪些准备工作.如果现在画一个如附近一样的齿轮轴.就照上面一样画出然后出图.说说OUTCAD软件要设置和准备什么(如图层.图框.线型等方面)
IMG_0002.JPG
发表于 2009-8-11 21:08:05 | 显示全部楼层 来自: 澳大利亚
lz不是画出来了吗?
; ]' f  q5 @1 r2 E5 J最好找个模板,不用自己去搞太多的设置。直接从图开始,然后再慢慢学其他的!
发表于 2009-8-12 03:05:09 | 显示全部楼层 来自: 中国辽宁沈阳
这有个模板,你可以参考一下。
9 R; _3 n2 C5 f/ j( R# Q5 ^. J2 E; _+ b2 [6 n
http://www.3dportal.cn/discuz/viewthread.php?tid=754302&pid=3946339&page=1&extra=page%3D1#pid3946339
 楼主| 发表于 2009-8-12 10:16:37 | 显示全部楼层 来自: 中国江苏南通
不是了,以前自已有一套画法,只不过面试写给人家的,人家不算合格,就是想向大家学习新方法的
发表于 2009-8-12 20:21:27 | 显示全部楼层 来自: 中国浙江宁波
参考参考   呵呵
发表回复
您需要登录后才可以回帖 登录 | 注册

本版积分规则

Licensed Copyright © 2016-2020 http://www.3dportal.cn/ All Rights Reserved 京 ICP备13008828号

小黑屋|手机版|Archiver|三维网 ( 京ICP备2023026364号-1 )

快速回复 返回顶部 返回列表