QQ登录

只需一步,快速开始

登录 | 注册 | 找回密码

三维网

 找回密码
 注册

QQ登录

只需一步,快速开始

展开

通知     

全站
7天前
查看: 7605|回复: 32
收起左侧

[讨论] 国外的工程机械液压系统图是用什么软件画的?

[复制链接]
发表于 2009-9-24 22:12:12 | 显示全部楼层 |阅读模式 来自: 中国江苏徐州

马上注册,结识高手,享用更多资源,轻松玩转三维网社区。

您需要 登录 才可以下载或查看,没有帐号?注册

x
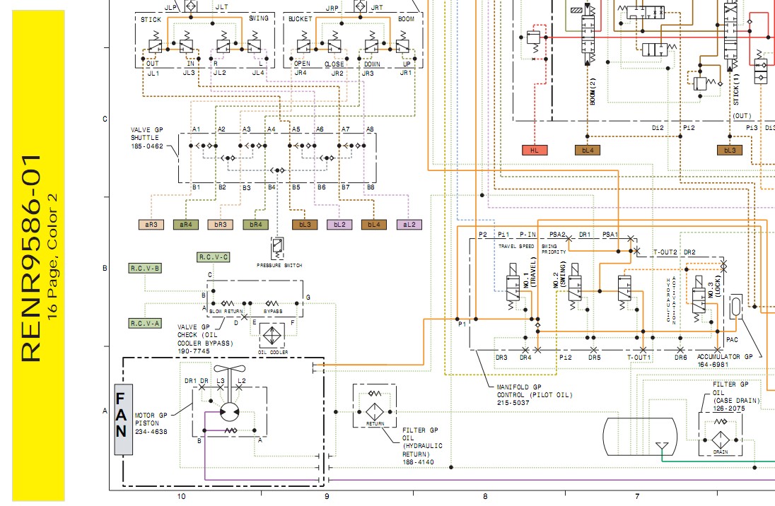
我发现国外工程机械液压系统图画的非常讲究,而且应该是用的同一个软件画的,画出来非常清晰,明了。国内的好像没见有这么画的。( t; U+ ~% R& e6 _! ]% Q/ M
下面是卡特挖掘机的液压系统图的一部分% {; r3 @3 L7 w4 Z
kat.jpg
4 f% o/ d, d9 ~
  o$ [- b1 g, K这是现代挖掘机的系统图, H; ?( X0 m" s* o) O
现代.jpg $ {* U; D, z3 y" O. r) o! E
0 ^+ U1 v9 w0 \  ~& @
他们图纸编号都一样的
2 k6 s! S" i0 R4 x/ [& d: b. Z9 |, ~ 阿萨德.jpg
6 X# K+ I: ^8 F; M. q4 A而且管路的颜色,线形的表示也一样,
8 b1 ]. T( e4 e- @9 t3 u 撒的.jpg - G4 d+ i. p! G. g: r, h

: O/ O  {! q. ~: x% B& n5 \0 q大家知道这是用什么软件画的吗?
发表于 2009-9-25 08:42:06 | 显示全部楼层 来自: 美国
我听说国外70%的使用的是E3
8 E. t& M* g2 d3 E7 k6 H可以自动生成明细栏,等等
发表于 2009-9-25 11:16:56 | 显示全部楼层 来自: 中国四川成都
不是AMESim画的吧,也想知道怎么样能画出漂亮的液压系统图
 楼主| 发表于 2009-9-26 22:06:17 | 显示全部楼层 来自: 中国江苏徐州

回复 2# 寂静天花板 的帖子

肯定不是AMWESim画的。
发表于 2009-9-28 13:29:21 | 显示全部楼层 来自: 中国安徽合肥
难道是CAD?
发表于 2009-9-29 19:31:07 | 显示全部楼层 来自: 中国重庆
不清楚哦,哎
发表于 2009-9-29 19:31:52 | 显示全部楼层 来自: 中国重庆
继续挣钱哦
发表于 2009-9-30 00:04:51 | 显示全部楼层 来自: 越南
他们画的图的确很漂亮,现在的专业软件业很多了啊
发表于 2009-9-30 09:19:12 | 显示全部楼层 来自: 中国江苏南京
原帖由 jf_241 于 2009-9-25 08:42 发表 http://www.3dportal.cn/discuz/images/common/back.gif
$ n  N) ~# ^) H6 P$ d% |我听说国外70%的使用的是E3! ?* n$ S1 a8 `) T
可以自动生成明细栏,等等
' Z$ j6 m$ N. O! P
E3 是什么?
发表于 2009-10-1 15:38:08 | 显示全部楼层 来自: 中国浙江杭州
那他们是用什么画的啊/
发表于 2009-10-1 16:50:15 | 显示全部楼层 来自: 中国贵州毕节
请问“AMWESim”是什么软件啊?
发表于 2009-10-3 15:17:23 | 显示全部楼层 来自: 中国重庆
是AUTOCAD!
发表于 2009-10-3 23:25:53 | 显示全部楼层 来自: 中国台湾
如是描图CAD很好绘
发表于 2009-10-4 11:04:34 | 显示全部楼层 来自: 中国江苏南京
希望大家多多讨论!
$ g; {4 f8 e4 A7 N9 H4 @知道帮大家看看!
发表于 2010-5-27 08:38:26 | 显示全部楼层 来自: 中国河北石家庄
国内有好用的软件吗?
发表于 2010-5-27 09:31:25 | 显示全部楼层 来自: 中国上海
应该就是CAD画的吧
发表于 2010-6-1 16:55:51 | 显示全部楼层 来自: 中国北京
solidworks里自己做的液压元件库吧
发表于 2010-6-1 21:32:33 | 显示全部楼层 来自: 中国辽宁大连
我看过的老外的液压图纸都是CAD画的
发表于 2010-6-2 17:38:56 | 显示全部楼层 来自: 中国北京
那个所谓的E3是不是就是E3.series呀?
发表于 2010-6-6 17:24:46 | 显示全部楼层 来自: 中国湖北武汉
难道是altium design?
发表于 2010-6-21 18:15:07 | 显示全部楼层 来自: 中国广东深圳
E3.series是电气专门的软件    可以画液压原理图么?
发表于 2010-6-24 23:04:29 | 显示全部楼层 来自: 中国四川泸州
E3.series是什么软件?哪里有下载?
发表于 2013-10-31 21:53:11 | 显示全部楼层 来自: 中国河南焦作
不是AME,因为AME里面的液压电磁阀不是这样子的
发表于 2013-11-2 14:26:22 | 显示全部楼层 来自: 中国四川成都
auto CAD,我们公司老外也用这个
发表于 2013-11-4 16:51:18 | 显示全部楼层 来自: 中国福建厦门
好多都行,关键在技术和认真
发表回复
您需要登录后才可以回帖 登录 | 注册

本版积分规则


Licensed Copyright © 2016-2020 http://www.3dportal.cn/ All Rights Reserved 京 ICP备13008828号

小黑屋|手机版|Archiver|三维网 ( 京ICP备2023026364号-1 )

快速回复 返回顶部 返回列表